Come scegliere e maneggiare il bi-xeno h4
Forse tutti gli automobilisti sono consapevoli della luce allo xeno, ma quando usano il pensiero "bi-xeno", rovinano molto. Nell'articolo analizzeremo com'è il bi-xeno, come funziona e come installarlo sulla tua auto.
contenimento: 1. Come un bixenon 2. Montaggio diretto su auto 3. Pregled per buoni modelli 4. Legale o no
Come un bixenon
Una lampada allo xeno convenzionale è un'unica sorgente luminosa, che può funzionare sia con una lunga linea luminosa, sia, in alcuni casi, con una linea luminosa. Le lampade bi-xeno sono universali: possono accendersi e spegnersi, trasformarle da una fonte per una lunga linea di luce a una fonte per una lunga linea di luce e viceversa. Cioè, c'è una lampada sostitutiva per due.
Come lavorare
Izglezhda, come puoi capirlo? Slagame due xenon colby per analogia con due spirali, cato in una tazza alogena e una combo. Ma c'è solo un kolbat in bi-xeno! Una specie di copertura bi-xeno in primo piano.


bixenon H4
È visibile una lampadina allo xeno, coperta da uno schermo metallico appositamente progettato. Nel focolare la lampata è spesso aperta, il fondo è chiuso ad eccezione di una piccola feritoia, che è sbiancata con una freccia.
Nell'immagine, è chiaro che vedi lo schianto, nel qual caso appare la scarica e, in risposta, la luminosità non cade dalla fessura. Un tale bixenon risplende sulla montagna stessa. Compagno, tieni la luce. Ako sposta la lampadina alla base, la camera di emissione è più in basso rispetto all'apertura e il dispositivo è più indietro e brilla verso il basso. Il più delle volte, le teste di luce si accendono sul faro e compagno, meglio illuminare le linee.
Come posso spostare la lampada direttamente dallo schermo? Il segreto è semplice.Si basa su un elettromagnete bi-xenon e-scree, che chiude letteralmente la sorgente alla luce, spostando lo slot. Questo si basa su una lampada bi-xeno ed è piuttosto massiccio. Abbassiamo lo schermo e vediamolo come un pentagramma.

Lavoro sull'elettromagnete Bixenon
Lasciato magneticamente spento - il lampato è nella sua posizione originale, "chiudi" è acceso. In questa immagine, l'elettromagnetico è attivo - "lontano" non è acceso. Trucco Tova e tseliyat.
Sul bianco. Con alcuni modelli di cover bi-xeno, non spostare la lampada, ma una tendina aggiuntiva, che si trova nella posizione normale (l'elettromagnete è spento) mentre la fessura sullo schermo è chiusa. Tova non è essenziale per noi, ma non è utile e lo sappiamo.
Perché vorresti scattare una foto con un'etichetta Bixenon H4? Per lo meno, i connettori smontati della lampada bi-xeno samata e kato cyalo. Tutto è semplice: questo tipo di sorgente luminosa è compatibile in relazione alle dimensioni sul pavimento e alla chiave sopra di esso con una lampada alogena H4. Scarica l'unità, piega gli altri senza alcuna modifica sul farovet.
Com'è diverso dall'orata bi-xeno
Molte volte l'orata bi-xeno se barkat con l'orata bi-xeno. Tova sa dispositivi completamente diversi! C'è un modo per guardare l'immagine sull'obiettivo.

Orate Bixenon (Bileni)
Qui, numera lo spettacolo:
- Orata.
- Tenda mobile con elettromagnete.
- Il blocco per la gestione su un elettromagnete.
- Sella per comune lampada allo xeno H1.
Nel makvame c'è una rovina e, controllando il velo, organizza in qualche modo a lungo, e così e per una linea leggera. E l'orata che trasforma il design in un faro completo, Makar e senza corpo. La lampada bi-xeno può accendersi o meno da sola, ma ho bisogno di fari.
Quale è meglio: bi-xeno o bilens?
È difficile dissuaderti inequivocabilmente dalle domande. Ako veche imame fari speciali per xeno, togava e abbastanza sì si acquista bixenon e il problema è risolto. Ako nyama fari, togawa, risolvilo, l'obiettivo è conveniente ed Eutin: puoi semplicemente colpire tutti i fari standard, alcuni dei quali svolgono ruoli su un corpo protetto e nient'altro.
Montaggio diretto su auto
Razbrahme bixenon, un po 'di esperienza e installalo sulla nostra cola invece della lampada alogena H4 standard. Per i premi sul farovet, non un tryabva:
- 2 xenon H4.
- 2 blocchi per zapalvane per biksenon.
- 2 pin H4.
- 2 diodi o relè a 5 pin per auto (a seconda del circuito selezionato).
Diodo che scatta e inverte la tensione da almeno 25 V e la corrente da almeno 10 A. Adatto, ad esempio, 10A10, 1N4007, 1N5408, IN5822. Reletata tryabva sì imat gruppo compresi i contatti. Ad esempio, il prodotto è adatto:

Relè automotive con singolo gruppo di contatto
Installazione
In primo luogo, una lampada bi-xeno, tryabva ed essere installata nel faro. Non è così difficile, ma è uguale a H4 in relazione alla stampa e alla chiave. Izvadame alogeno, vkarvame bixenon. Ma Ima non una singola sfumatura, che è un tryabva ed ecco, la lungimiranza è presa:
- puoi essere sicuro che la lampada non sia completamente installata, aggiungi gli elementi al faro, quindi misuralo sulla lampada allo xeno e sembra ancora una lampada alogena più lo schermo;
- come una scoreggia su uno stakloto ima, un berretto reflex standard, togava su un bixenon tazi a capaca tryabva e bde premahnata (lo stesso e l'altro). Nella foto, nella valle, il tiratore ha segnato il segno.

Bixenonova reflex cap può essere rimosso
Blocco di accensione Fixirame nelle immediate vicinanze della lampada all'inizio, in modo che ci sia abbastanza conduttore per esso. Quasi tutti i moduli di accensione sono sigillati ermeticamente, quindi puoi scegliere qualsiasi posto conveniente. Se l'installazione è completata, può essere considerata completa, ma puoi lasciare correttamente il bi-xeno.
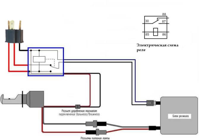
Schemi standard sul cavo
Per un tempo più lungo, ti darò due semplici schemi per il collegamento al bi-xeno e che puoi scegliere tu stesso si - setacci tu stesso.
Con diodo
Lo schema è abbastanza semplice e quasi tutto dalla conoscenza di base dell'ingegneria elettrica può essere cupo.

Diodo di prespegnimento a filo bi-xeno
Smontalo, riprova e raccogli due di questi schemi: uno per tutti i fari. Una traccia del kato verigata e sglobena, controllando attentamente il blocco vzichko e svyarzvame shiftovia del blocco bordeaux standard, che è più rimosso dalla lampada alogena.
Ciao! Ako kolata vi ima è polarità invertita (più sul tyaloto), togawa basta cambiare la polarità sull'interruttore al diodo e la polarità sui km memorizzati del blocco dietro l'accenditore.
Con relè elettromagnetico
Il circuito Tazi è un po' più complicato, invece di un diodo, la lampada è cablata attraverso un relè. Forse sì, è sgloben da alcuni, qualcuno sa come mantenere un poyanik in si e sì un paio di schemi. Kato cyalo, tecnico radiofonico appassionato di automobili (principiante possibile). Nonostante tov, bih va rimproverato - che e è sia speranzoso che "corretto".

Circuito di commutazione bi-xeno tramite relè elettromagnetico
In qualche modo nel caso precedente chiuderemo la verigata, in caso di pizzicamento, spesso sul connettore standard, mantenendo il contatto sulla lampada alogena, che potrebbe essere rimossa.
Pregled per buoni modelli
Ora andiamo via e pazaruvame e diamo un'occhiata all'assortimento.Prestiamo attenzione, forse non va bene, ma i modelli di lampade bi-xeno sono abbastanza interessanti.
STARVISION H4 ALTA/BASSA
Non trovare un modello coreano con una pancia da 1000 ore, ma il prezzo di 400 rubli non è pronto. per set. Le lampade bi-xeno Takiva sono disponibili per quasi tutti. Un'altra predominanza su questi prodotti abbassa la percentuale sul matrimonio, che non supera l'1-2%. La disputa del produttore è un flusso luminoso, una lampada viene rimossa dal bacino lungo la pendenza e la forma, corrispondente al flusso alogeno. Cioè, quando è stato cambiato in uno con un amico, il lignaggio sul taglio è nim e cambialo.


lampada bixenon STARVISION H4 ALTA/BASSA
L'assenza di qualcosa sul treptene sulla lunga linea di luce nel tosi del modello bixenon se osiguryava da un magnete permanente, qualche traccia viene utilizzata sull'elettromagnete, la lampada è fissata in modo affidabile nella posizione ordinata.
H4 4300k PROLUMEN ALTO/BASSO
Tosi biksenon e-po-skyp (1300 rubli), ma sono una vita operativa di due-cinque anni - 2000 ore. La caratteristica principale è il case in plastica, praticamente non caldo, a differenza del metallo. I dispositivi saranno offerti in colori e temperature di 8000K, 6000K e 4300K. Il design speciale per il corpo dell'osiguryava si basa sulla resistenza agli urti e alle vibrazioni del bi-xeno.


Bixenon H4 4300k PROLUMEN ALTO/BASSO
Contrasto AMORE
Kit pronto per installirane biksenon invece di alogeno. Ogni lampada è una Philips crush, che ha una lunga durata - fino a 3000 ore - e un periodo di garanzia fino a 18 mesi. La caratteristica principale del kruskat è precisamente tagliata sull'elettrodo, di conseguenza, per qualche motivo, viene leggermente cotta a vapore e il dugat è più gentile. La tecnologia Tazi è auto-sviluppata da skypi e produttori di lampade di alta qualità.

Kit bi-xeno Contrasto FAVORIT
Inoltre, la qualità del prodotto è garantita da C`N`B, che controlla ogni dettaglio dell'intero processo produttivo. Verno e, che prezzo per un set di e consegna di un tempio - 4100 rubli.
H4 5000k 35W UKC
Pjlen e vysokokachestven impostati per montiran su luce bi-xeno anziché alogena H4. Il kit con la lampada comprende moduli di accensione, relè, connettori, cavi di installazione nel tubo corrugato e istruzioni di installazione dettagliate. Non è necessario acquistare nulla. Markata sul prodotto e UKC. La potenza per ogni lampada è di 35 W, la temperatura del colore è di 5000 K. Il prezzo è di 1800 rubli.


Kit Bixenon H4 5000k 35W UKC
Legale o no
Sostituire l'alogeno con lo xeno. Quanto know-how c'è per CAT? Insomma, yama sì se haresa. Nyama CAT, yama shofyori sull'approccio dei mezzi esaltati. E così parvite solo essere punito, togava con l'eco di tutto è molto peggio - con uno schiaffo scivolato, è attraversato dal palo dell'ima, trova le conseguenze. Ed è bello, se non stigne tov, ma tutto è esaurito dal naufragio sul farovet dalla perdita.
E ancora cieco. Non c'è da stupirsi perché una tale revisione della fattoria collettiva allo xeno se narich. Il fatto è che controllare lo xeno ha bisogno di un faro speciale, ma l'alogenite in ogni caso, yama, sì, libereranno il bordo necessario e brilleranno ancora, kadeto e sì otidat.
Cosa c'entra questo con la legalità, c'è molto kazvam, basta aprire il Codice per le violazioni amministrative sulla Federazione Ruskata, membro 12.5, parte 3:
3.La gestione del mezzo, in prednata spesso per qualche automontaggio di apparecchi leggeri, qualcuno che fiorisce sulla linea leggera e il regime per il lavoro non saranno dissuasi dal richiedere la “Deroga di base per l'ammissione al Ministero delle Ferrovie prima dell'esercizio e debito verso l'ufficiale per marchi di sicurezza Osigurete”...
Brodo, mangia le tesi "Basic Razporedby":
3.1. Lanciare, vedere, sbocciare, posizionare e lavorare su un apparecchio di illuminazione esterno non vi dissuaderà dal ricercare un progetto per un ottimo mezzo.
E, controllo, in qualche modo se caso, nella testa. Regole per il movimento, "Elenco dei malfunzionamenti, in base ai quali è stato tolto lo sfruttamento del veicolo di trasporto", capitolo 3, clausola 3.4.
3.4 Sul dispositivo di illuminazione non sono presenti diffusori o vengono utilizzati tutti i diffusori e le lampade, il che non sarà dissuaso dalla vista di questo dispositivo luminoso.
Nashiyat biksenon sta subendo vsichki qualità miserabile. Qual è la globata per tova? Sì, no, solo privato del diritto di gestire il Ministero delle Ferrovie per un periodo di 6-12 mesi. E, devi uccidere di più, o forse ti bloccherai per la miccia.
Tale razbrahme come bi-xeno, come lavorare e come distinguere dall'orata bi-xeno. Ciò che conta per l'installazione, sta a te decidere, ma se non vuoi rovinarlo, allora leggi lo statuto, puoi installarlo da solo e trasformare il bi-xeno in colata si.
PredishnaxenoPregred per la spina allo xeno D2RProssimoxenon Descrizione e moduli di accensione allo xeno prelegati D2S