Come lo dirigi, come accendi la parte posteriore del VAZ 2110 non brillare
Titolo: Cambiare le luci dell'auto 
Come sapete, in caso di malfunzionamento di qualsiasi tipo di dispositivo luminoso, il lavoro sull'auto non viene tolto. E ci sono due possibilità: vai al servizio più vicino e paga lì molte scommesse, oppure dai un'occhiata e rimuovi tu stesso l'errore. Nel bacino dell'articolo, stiamo analizzando il telaio per "congelato" sulla luce per il movimento posteriore sul VAZ 2110 e tutti gli altri esperti noi stessi, quindi risolveremo il problema.
contenimento: 1. Dov'è il sensore per la corsa posteriore VAZ 2110 2. Dispositivo e principio d'azione 3. Sospeso per malfunzionamento 4. Come cambiare il sensore per la corsa posteriore del VAZ VAZ - istruzioni passo dopo passo
Dov'è il sensore per la corsa posteriore VAZ 2110
Una delle principali cause di danneggiamento della lampada è il sensore posteriore, che viene sconsigliato per accenderla. Khorat è spesso chiamato "rospo". Namira, da un paese lyavat a una veloce kutia, kogato, da una fionda a un'auto. Ako imate un vuoto visivo, punisci il tuo VAZ prima di esso e io lo prevenirò.

Posizione sul sensore sul VAZ 2110
Se lo desideri, puoi anche vedere quando il VAZ si brucia, dal vano motore, ma per questo viaggio puoi saltare il filtro dell'aria.
Dispositivo e principio d'azione
Com'è il sensore tosi per il VAZ 2110? È una chiave ordinaria, che viene avvitata in un'apertura speciale in una veloce kutia. In questo caso, la superficie funziona sull'interruttore e nel samata kutiya, ma normalmente apre i contatti sa otvn.Quando si attiva la pressione posteriore, è particolarmente previsto che la pressione venga spesso esercitata sul sensore e funzioni - il contatto verrà eseguito.
Contatta dal tuo paese per salvare la lampada per la corsa posteriore. L'unica differenza tra il sensore tosi e il convenzionale ma non lo stesso è il design speciale. Toy e è ermetico e costoso ad alta temperatura meccanicamente elevata. Arricciandolo in una veloce kutia e avvitandolo con una chiave inglese.

Mostrati sul sensore per VAZ 2110 indietro kjm sdzharzhanieto ↑
Sospeso per malfunzionamento
In qualche modo il kazako è addolorato, alleggerito, forse non leggero, ma il sensore per il movimento all'indietro è schupen. Ma ima e altri malfunzionamenti, che causano un effetto reale e appaiono incomprensibilmente onesti, nitidi e danneggiano il sensore. Elenco dei tecnici:
- krushkata per il movimento all'indietro e bruciato;
- salva i conduttori sulla fenerite byakha preksknati;
- contatto sul substrato di ossidazione;
- suggerire non sa in ed;
- na dskata na fener nyama masa.
Ora asteniamoci da una sorta di sospensione su un malfunzionamento e asteniamoci dal fare qualcosa, koito sa nay-lesni per la diagnostica. Ma prima di fermarci, deviamo un po 'e diamo un'occhiata alla catena elettrica sul dispositivo di illuminazione VAZ 2110. Ancora nessun posto dove strisciare.

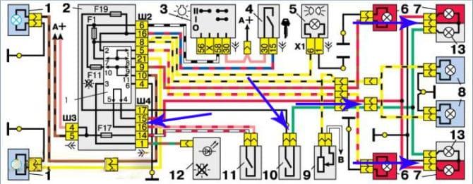
Corda elettrica per dispositivi leggeri su un'auto VAZ 2110
Nel tazi, lo schema ti interessa dalle seguenti posizioni:
- 4 - chiave per zapalvane;
- 2 - blocco di montaggio;
- 10 - sensore per la corsa posteriore (pre-interruttore);
- 13 - farove per il movimento all'indietro.
Come lavorare? Accendi l'accenditore sul VAZ e proteggilo dalla batteria o dal generatore del carburante dal blocco di montaggio (blocco Sh2, pin 16). In questo caso, il blocco è interessante dal predpasitel F19, quindi salva la linea leggera per il movimento all'indietro.Il passo successivo è quello di evitare il preposizionamento, in modo da evitare la sovrapposizione del blocco di montaggio prez contact 17 sul connettore Sh4. Una traccia della risposta del sensore alla parte posteriore del movimento e le cospicue linee di protezione e luce (conduttore verde). Il secondo contatto sulla linea luminosa è collegato a un cavo all'auto VAZ, che è un conduttore negativo. In qualche modo puoi vedere, lo schema è molto semplice, ma sì, lo so. Ora puoi ma zapochnit e rimuovere i problemi.
Sensore di retromarcia
In anticipo, controlla se c'è abbastanza apertura per l'osservazione e un comune clammer o broccato di corpi. Ako nyama dupka, togava, in qualche modo il kazako è su una montagna, fino in fondo, sì, dirigi la montagna, prez kachulkat. Verno e, che per tova trebva e ferma il filtro dell'aria.

Sul VAZ 2110, il sensore per la corsa posteriore (freccia markeran ss) può raggiungere e premere il vano motore
Intendi il sensore per il movimento posteriore, ricordandoti che con il VAZ 2110 che vede il mondo dal lyavat del paese al meccanismo, ti ritroverai a salire sull'auto. Estrarre il connettore (blocco) con due conduttori da esso. Per sì, manda il tov, basta strappare le custodie sul connettore.

Premahvane sui conduttori dal sensore per la corsa posteriore sul VAZ 2110
Ora il tuo compito è chiudere il contatto sul blocco, uscire in qualche modo dalla corrente (guarda dentro e vedi questi contatti). Tova mozhe sì ce manda con clamers o corpi strappati di broccato. È abbastanza leggero per il movimento posteriore? L'articolo indica che il sensore è difettoso e puoi continuare con la deformazione, alcune delle descrizioni nell'ultima sezione (Istruzioni sul passaggio per cambiare il sensore per il VAZ 2110). Ako Fenerites continua a non brillare, ma continueremo e tarsim.
prepasitel
E così, di tutto interesse per l'F19, si trova nel blocco di montaggio.Samiyat ha installato un blocco sul VAZ 2110 se namira sotto il timone della colonna.

Posizione sul blocco di montaggio sul VAZ 2110
Sbarazzati del blocco e imposta la preposizione F19. Se suggerisci di non etichettare o etichettare con pittogrammi oscuri sul blocco di montaggio, segui l'immagine in basso.

Numerato sui distanziatori nel blocco di montaggio VAZ 2110
Sbarazzati dell'F19 dal jarzhach e guarda lo svetlinat: come l'hai bruciato, puoi vederlo anche ad occhio aperto.

Chiaramente, il ponticello si stava esaurendo: predpazitelate e si stava esaurendo
Ako vsichko e sull'occhio, non sarai duro de märzelivi ed esci con il tester, quindi c'è una traccia di una settimana in disparte su un difetto sulla vitch, ci sono posti possibili, quindi lo yama sì è dolorosamente doloroso per il tempo rovinato. E quindi, predpazitelat e nepoktnat? Puoi saltare l'elemento successivo. Ako e bruciato, togava ecco tov.
In questi casi, molti proprietari di auto VAZ semplicemente si adattano bene invece di bruciarsi e, di regola, bruciano un amico. Se hai molti adattatori extra da 10A, puoi sperimentare. Ma per carità, pensate un po' a quello che è successo.
Esorcizzato il presunto motivo del malfunzionamento stesso in un caso: lo stesso è difettoso. Togawa obiknovenata è stata sostituita da burnout con un nuovo successo e più lavoro. Ma forse sì, si scoprirà (e soprattutto è un caso) che non è stata la causa, ma la conseguenza dei malfunzionamenti che hanno bruciato il prepasite. Imashe svrhtok sul verigat, per qualche dissuasione, e il dispositivo, salvando il tazi verig, dal dolore. Perché puoi acquistare un VAZ 2110? Non me ne frega niente
- Nella retroilluminazione del VAZ 2110, la lampada è installata con una potenza maggiore, prevista nel design del VAZ.
- Imashe kaso connessione per proteggere la catena sulla linea leggera per il movimento posteriore (vedi il circuito elettrico in montagna) kjm caroseriata sulla macchina.
Sai, perché nella luce per il movimento posteriore sul tuo VAZ, monti una lampada potente (è giusto, hai ragione, è parcheggiata al buio), allora è del tutto possibile, makar e non necessariamente, è un problema. C'è molto più male da sapere sull'elettricità, togava, risolvilo, più per proteggere l'ufficiale che presiede, non ha bruciato la traccia installata sulla potenza della lampada, ma, diciamo, un mese va bene. Non c'è niente di strano qui. Normalmente, il valore nominale per l'interruttore è selezionato dal 20 al 30% in più rispetto alla corrente nominale.
Installa una lampada un po 'più potente, aumenta il consumo di corrente, ma non abbastanza, perché sì, aumenta la potenza del prag. Predpazitelyat "dzheshe", ma lavora alla frontiera sulla possibilità di si. No-malkoto salta in allerta in un mrezha bordeaux (sì, stiamo parlando, contatto perso sulla clematide sulla batteria) - e tarpenieto sul predpazite è esaurito, cioè fuori posto. E all'istante esci da solo, installa molte lampade potenti.
Ako sai, perché vuoi un VAZ e una potente lampada nella retroilluminazione per il movimento posteriore, puoi sperimentare e correre dei rischi e dargli una nuova valutazione, in qualche modo beshe. Vsichko, qualcosa come un esperimento, è rovinato da un predpazitel.
Ako noviyat izgori vednaga, quindi il problema è la connessione e koso. Tova può sì, se succede, salvare i conduttori sa wipe e kos kam tyaloto.

Il tester è in modalità per misurare la resistenza
In primo luogo, spegni l'accensione ed elimina l'uscita positiva dalla batteria del VAZ.Spegnere la pressione, quindi mettere la perdita di velocità in posizione neutra. Legare una sonda al tester kam shift 17 sul connettore Sh4 sul blocco di montaggio e legare l'altra all'auto. Potresti voler posizionare un substrato dal paese al blocco di montaggio, opposto a quello prefabbricato. Vsichki quelli, in qualche modo e terminali tecnici, sa marcatura.

Posizionare il VAZ 2110 nella posizione sulla testa sul blocco di montaggio
Se il dispositivo mostra "0" (bassa resistenza), allora c'è un problema nel conduttore, collegando il blocco di montaggio al VAZ con il sensore per la corsa posteriore. Dai un'occhiata al conduttore (forse anche in un pacco, ma in realtà sta fiorendo) per molto tempo, intendi collegarlo e correggerlo.
Dispositivo Ako per mostrare "infinito", togava fino in fondo con la verigata del sensore per il movimento posteriore, continueremo per un po'. Attivare la contropressione e ripetere la misurazione. Ora la resistenza è su una verigata trebva e una caduta (pietre che fissano la lampada dietro la parte posteriore del movimento), ma comunque, con una lampada standard per il VAZ 2110, non trema, anche bassa da 2-3 ohm . Se la resistenza è bassa, si perderà il collegamento dal sensore per il retro del movimento alla luce (conduttore verde nel circuito per il collegamento in montagna).
Tuttavia, la resistenza non può essere misurata da nessuna parte (il dispositivo mostra "nessun limite"), quindi il problema è nella lampada o in un cattivo contatto sulla connessione del blocco o nel conduttore di protezione. Installa un nuovo prepasitel, sostituisci i burnout e salta il passaggio diagnostico successivo.
La resistenza è buona (un po' di ohm)? Puoi installare un nuovo prefabbricatore, sostituire i burnout con una valutazione più alta e finire lì: ci saranno più problemi con un dispositivo difettoso.
Bruciato il krushka
Nel VAZ 2110 ci sono due linee luminose per movimento posteriore, il che significa che ci sono due lampade. È improbabile che due di loro si brucino per sempre e nient'altro dall'apparecchiatura di illuminazione non lo abbia bruciato, ma è così. Ricordiamone alcuni e controlliamo la lampada per te. Sì, manda Compagno, vedi, prova ancora di più un po 'e "bombarda" il tuo VAZ, così puoi raggiungere il farovet per il retro del movimento, basta rompere il blocco sul retro della lampada.
Apri il bagagliaio e mangia quanto ti serve. Rilasciare il rivestimento e sviluppare il capac prefabbricato in plastica. Lascia e salta il pannello posteriore e accedi alla luce e al pannello di controllo.

Apertura del blocco luminoso sul VAZ 2110: accesso alla lampada e mantenimento del blocco aperto
Dotatevi di un tester e chiamate la ruota posteriore. Ako sa difettoso, cambia il gi e trova -probabilmente il problema potrebbe essere risolto. Ako lampite sa in buone condizioni, i problemi di togava sono diversi. Metti una lampada sulla carne, ma ancora non gongolare la lampada VAZ: magari accendila e poi falla oscillare in tyah.
Contatti nel substrato
Il prossimo possibile motivo per un malfunzionamento: contatto in uno dal blocco, protezione della luce dal movimento posteriore, è stato ossidato. Ima generale 5 substrati takiva, marcatori gi ss frecce blu.

Substrati, dissuadere per lavori sulla linea leggera per la corsa posteriore del VAZ 2110
Ogni treb delle tesi di supporto va srotolato, controllato e pulito, se necessario. Nel frattempo, tira leggermente il conduttore, lecca le fascette: tutto dalla foresta di tyah potrebbe essere marcito e lasciare che l'isolamento penda su uno, dando l'impressione che sia in ordine. Tutti Pak non funzionano? Lasciando l'ultima opzione: trasferire al conduttore, mantenendo la luce dietro la mossa posteriore.
Proteggi i conduttori sulla fenerite se skaha
Ima stessa è composta da tre conduttori, che possono e se skat (sì, lo strapperanno, ma lo bruceranno, ecc.):
- Dal blocco di montaggio (contatto 17 sul blocco Sh4) il sensore per la corsa posteriore.
- Dal sensore per il retro del movimento a tutti dalla luce.
- Da Feneri alla caroseriata su un'auto VAZ
Eliminate il nuovo zapalvaneto, togliete dal baterium la clematide e, usando il broccato come filo conduttore e tester, chiamate da tutte le parti. Tozi, non chiamare nessuno, smontalo, anche se è stato controllato visivamente, per quello, intendi fare danni. Se il conduttore danneggiato non può essere installato, questa opzione può essere riutilizzata per mangiare il covone e rimuovere quello vecchio e lasciarlo sulla carne.
Per questi scopi, utilizzare uno speciale conduttore per auto con isolamento rinforzato, resistente all'usura e una sezione perfettamente trasversale sulla pancia di almeno 1,5 metri quadrati. mm

Il conduttore automobilistico PGVA con una sezione trasversale di 1,5 e è ideale per le linee luminose VAZ indietro kjm sdzharzhanieto ↑
Come cambiare il sensore per la corsa posteriore del VAZ VAZ - istruzioni passo dopo passo
Sezione Ako Chetete Tozi, poi gawa izglazhda, sensore che vashiyat o presto gira sul retro della e ha funzionato. Se la sera ne hai acquistati di nuovi, allora puoi continuare con il cambio. Il lavoro di Tazi non è semplice e puoi farlo comunque, qualcuno può e tenere una chiave inglese con una mano. Per sì, cambia il pre-interruttore, controlla il vento:
- Nuovo sensore con nuovo O-sten (abilitato).
- Capacità del malto.
- Chiave inglese.
Metti il VAZ su una salita o un pozzo di ispezione e mettilo sulla leva della spirale, quindi sposta il fumo affumicato dopo l'accensione a velocità in posizione neutra. Abbassa il kapak protettivo, pokrivashch speedy kutia, ako ima takv. Posizionare il sensore dietro la corsa posteriore e scollegare il connettore dal conduttore da esso.

Disattivazione sul sensore per la corsa posteriore del VAZ 2110
Metti un contenitore adeguato sotto il sensore: l'olio della trasmissione dovrebbe essere ancora versato al suo interno quando viene schiacciato sul sensore. Prepara un nuovo sensore e controlla che gli sia stato dato con il nome di O-prusten.

Il set include un sensore per VAZ 2110 tryabva e ima O-prusten
Prendi la chiave inglese, sviluppa il vecchio sensore e arriccia rapidamente quello nuovo sul raka. Invia il tov kolkoto in modo barzo, interpretando l'olio della trasmissione un po 'di più e ora drenalo dal kutiyat. Fissare il sensore sano con una chiave inglese senza fanatismo.

Modificato nel sensore per la corsa all'indietro sul VAZ 2110
Installare il connettore, salvare i conduttori del sensore e sostituire la copertura protettiva. Non prenderlo e controllalo per l'olio della trasmissione nel kutiyata (non mettere l'olio motore nel carter!) E, se necessario, fallo.
Importante! Non utilizzare olio che è fuoriuscito quando si è accartocciato! Perdite sulla superficie della superficie al checkpoint, questo è decadimento!
Esci e avvia il motore VAZ e accendi il predavka posteriore, accendi la svolta posteriore e risplendi.
Ako ste ha letto attentamente l'articolo tazi, togawa, shiguren sm, sicuramente intende e perde il motivo per "schiaffeggiare" la luce per il movimento posteriore sul VAZ 2110 da solo e senza inutili dispersioni per il servizio di uno specialista del servizio.
PredishnaIlluminazione decorativa e messa a punto Come e come installare autonomamente il riflettore sul faroProssimoCome cambiare i fanali dell'auto Come cambiare il tabellone su Priore