Non lavorare su VAZ 2114 per un buon alleggerimento: come possiamo cambiare la lampada?
Ogni automobilista sa che è decisamente scomodo, e sì, dal fatto di strisciare su un paletto nell'oscurità con una luminosità difettosa. Nello stesso articolo ti insegneremo come cambiare la copertura della cabina in VAZ 2114 e come rimuovere i principali guasti del tuo dispositivo di illuminazione.
Contenimento: 1. Kakvi sa schiacciare 2. Come si scarica la capaca e si cambia la lampata 3. L'alleggerimento è ancora spento - altri motivi
Kakvi sa schiacciare
Nell'auto VAZ 2114, due lampade sono una scusa per l'illuminazione estranea. Uno da tyah, viene anche chiamato il navigatore, dissuadendo per chiarimenti individuali e se namira nella prednata in parte su tavana tra sennitsite.

Fener per illuminazione individuale luminosa VAZ 2114
Quello fatto di lampadina 4W A12-4-1 (T4W).

Lampada Fener con illuminazione individuale
La lampada per il chiarimento generale dell'interno sul VAZ 2114 è simile al nome della tavana, ma un po' a lungo termine: tra la colonia, per sì, illuminando l'intero interno.

Plafond per illuminazione generale all'interno del VAZ 2114
Produttore th consegna con spina 5W AC12-5-1 (C5W).

Lampada, usata in un sennik per chiarimenti generali
E dvete krushki sa obiknoveni, con zhezhaem zhichka.
Come puoi saltare la kapaca e cambiare la lampata
Thay kato due paralumi sa dissuadere per chiarimenti innocui sul VAZ 2114, cambieremo la parte superiore e nella porta.
Plafond per illuminazione generale
Ci metteremo dei soldi, ty kato è schiacciato su una briciola, è elementare e non richiede molto tempo. Parvo, piccola teoria.Puoi accendere la lampada tazi in due fasi: aprire alcuni dei cancelli (modalità 1) o aprire quello superiore dal lampat (modalità 2).
Toest plafont in tosi fener se lyulee vicino all'os centrale e suona rollata sull'interruttore.

Principio sull'azione sul tetto del pre-commutatore
Nella foto, i numeri mostrano:
- Caso Phener.
- Sfumatura vetro.
- Vespa sul lyuleen.
Per sì, salta il kapak, e sì, premi abbastanza il paese sul tyaloto sul lyuleen, in modo che si versino sul bicchiere e escano dallo zhleto nel tyaloto. Tova mozhe sì ce dirigere un cacciavite da un piatto o un dory con un dritto.

Assalto con il diritto di respingere gli scafi sul Fener
Per prima cosa rimuovi la costola tosi sul vetro dal fener e, al contrario, esci da solo.

Premahvane per vetro per Fener per illuminazione generale per interni su VAZ 2114
Di volta in volta, vetro e osservazione dello schianto, a volte catturando da due contatti primaverili.
La stampa è bruciata brillantemente, il dispositivo è uno dal contatto e si allontana.

Izvadane sulla krushka bruciata
Sono nuovo nella città di Izgoralata installirama, sono solo uno schrakvame in contatto su kasetata. Mettiamo un bicchiere di stoffa all'inizio, una specie di makhnahma: mettiamo una singola colata sulla parte superiore del bicchiere nello zhleba sul kutiyat, lo shrakama è diverso, schiacciando leggermente il pesce sul fener da destra.
Cupola di illuminazione individuale
Qui abbiamo bisogno di un piccolo cacciavite a testa piatta per il lavoro. Inserite un cacciavite nelle fessure, come mostrato nella foto lungo il fondo, ed estraete il fenercheto dal barattolo.

Premahvane su fener sul navigatore VAZ 2114
Izvadame fenercheto e vyzhdame due substrati, messi sopra la cartuccia (markirani con frecce). Premahwame gi, kato solo gi izvadame. Secondo il principio, non possono metterlo giù, ma lo scaricheranno, ma con una vendetta, sì, è una tassa e lavoreranno con il rutse verkhu tezhestta.

Arrenditi per zahranvane, possono ma ti scaricheranno per comodità
Ora, uno per uno, izstiskvame klyuchalkite, segna sull'immagine lungo la parte inferiore della freccia e rimuovi gradualmente la cartuccia.


Patron insieme a una krupkata nel collo.

Cartuccia esausta per Fener per alleggerimento individuale VAZ 2114
Calpesta leggermente il lampat, tornerò alla lancetta dell'orologio e lo consumerò. C'è una lampada così nuova in città e sto girando la lancetta dell'orologio. Installa la cassetta della cassetta con un nuovo nocca a terra, così ti assicuriamo che i due tasti funzionano, metti i cuscinetti sopra il contatto (non puoi invertire la polarità), installa il fenerceto nella presa standard e premi basta bloccarlo a terra.
L'alleggerimento è ancora spento - altri motivi
Il più delle volte, la traccia è stata interrotta sulla lampata, la lampata, e sì, si è rivelata funzionante, ma il chiarimento non ha funzionato. Come puoi inviarlo in un caso del genere? Alcuni si opprimono e scoprono il peccatore.
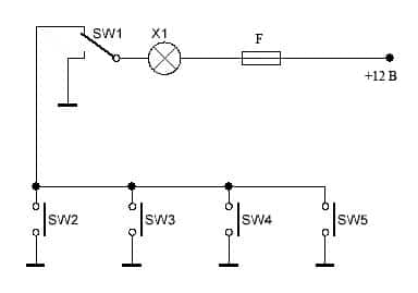
Schema sul soffitto per l'illuminazione principale all'interno del VAZ 2114
Questo è l'inizio, c'è un certo diagramma schematico del circuito elettrico per la lampada da salone principale VAZ 2114.


Lo schema è collegato alla lampada di scarico principale VAZ 2114
Tuk:
- X1 - lampada sul corpo illuminante;
- SW1 - interruttore per la modalità, racchiuso nel corpo illuminante;
- SW2 -SW5 - interruttori estremi nel rack sul cancello;
- F - preposizione nel blocco di montaggio.
In qualche modo, puoi vedere dal diagramma, una linea sul lampat e è costantemente sotto tensione di +12 V. Quando lo apri, spegnilo, rispondi al bordo dell'interruttore e l'altro bordo sul lampat e è collegato con il tyaloto (merce meno la protezione) - luce leggera nello scomparto.Se si ruota l'interruttore SW1 nella posizione opposta, la lampada X1 sarà più luminosa indipendentemente dallo stato dell'interruttore. Taka, ako:
Svetlinata non brucia affatto… Il presupposto, la presa per la lampada o l'interruttore SW1 è difettoso. Non è difficile, ma controlla la sicurezza del predpaznitsa. Assicurati di conservare le luci di segnalazione, la lampada del navigatore, il bagagliaio, l'illuminazione della chiave dietro la trappola, il computer bordeaux. Ako vsichko tova funziona, togava predpazitelat e buono.
Ako fuori dalla finestra, apri il cofano del kachulkata e scegli il blocco di montaggio. Quella vide Namira nello scompartimento del motore proprio dietro il vetro anteriore davanti all'acqua. Nell'immagine, la freccia è segnata lungo la lunghezza.

Posizione sul blocco di montaggio vvv VAZ 2114
È interessante notare che, dalla preposizione F3, è sbiancato nell'immagine lungo la parte inferiore del tiratore.

Tosi presumibilmente sconsigliato per pessimo alleggerimento
Con l'aiuto di un pinset, accendilo nel kit, elimina il metallo bruciato, sostituiscilo con un nuovo rating (10, in alcune modifiche 7,5 A).
Prossima cassetta. Quello e izsyalo sugli occhi. Izvadame krushkat, oglezhdame fondato e contatto sul patrono. Pulisci se necessario. Commutatore di immagini. Andiamo avanti, lo analizzeremo nel prossimo paragrafo.
La modalità 2 "Vinagi on" non funziona. Il motivo è nel pre-interruttore o nel conduttore, passando dal fener della terra. Cheren e sui fiori. Bollire la capaca (vedere la sezione "Come saltare la capaca e cambiare il lampat") e controllare lo stato del contatto sull'interruttore. Ima 3 da tyah: la e centrale è mobile ei due estremi sono immobili. Nella figura, lungo la loro lunghezza, le denominazioni corrispondono a cato 1 e 2.

Contatti sull'interruttore per la modalità, racchiuso nel soffitto
Preglezhdame, pulire se necessario. Se si contatta l'addetto alle pulizie, è possibile che se il compressore del movimento è acceso e non acceso, il contatto deve essere riparato. Regoliamo con prst:

Controllo del lavoro sull'interruttore sul rack
La lampadina è luminosa, il che significa che il vetro semplicemente non è un compressore a contatto. Previvami un po' di varkha mu, metti un bicchiere e controlla. Ako contatta direttamente, ma la linea luminosa non è esclusa, il problema è nel conduttore di messa a terra. Nel caso del broccato dei corpi dalla denudazione del bordo e dal contatto medio sulla lampada da esso, è ogni parte del peso, che non è coperta dal campo di battaglia (bullone, vite, ecc.). Dalì gli ha dato fuoco? Più tryabva o lascialo andare dove ha detto il conduttore standard, o semplicemente spegnilo e ferma quelli nuovi, che usano lo stesso conduttore speciale per il palo.
La modalità 1 non funziona correttamente... In Tozi, la modalità retroilluminazione è attivata, una volta aperti alcuni dei cancelli. Ci sono tre possibilità qui: brilla intensamente, accendi l'otturatore una volta, la leggerezza non è brillante quando viene bollita su un cancello e la lampata generalmente non reagisce alla situazione sul cancello.
Nei primi due casi, uno dell'interruttore estremo è ovviamente difettoso oppure il conduttore, passando dal tyahm del soffitto, e koso è connesso al tyaloto. Il terzo caso è l'interruzione del conduttore, passando dagli interruttori estremi al corpo illuminante.
Seppelliremo una certa opzione con la prima opzione: il plafond "non vedere" è a un solo giro di distanza. Il cancello è "colpevole" del brodo, la chiave estrema è sul rack e sul namiram.


L'immagine mostra che la testa del butalnato è abbastanza consumata. Forse c'è una piccola ragione? L'assalto di andare con prst.Ti bruci? Il problema è l'usura meccanica, quindi o cambi la chiave estrema, o noterai qualcosa di diverso (in quanto tempo?). Escluso: sviluppare una vite di fissaggio, strappare l'interruttore.

Premahvane sull'estremo prevklyuchatel per l'ebollizione sul cancello
L'unico conduttore dell'otiva è lui. Zatvariame go kam tyaloto (zona senza combattimento, risolvilo). La lampada brilla? Sì, prova abva e cambia l'interruttore estremo, ty kato che non può essere riparato vicino alla casa.
Ako lampata risplende dalle persiane del cancello, poi più tremante e tutti i pervertiti sono simili all'operazione con tutti gli interruttori estremi. L'unica differenza è che se c'è un difetto nell'interruttore del bordo, verrà interrotto, la luce si spegnerà. Andiamo? Lo cambierò. Non è intenzionale: più tryabva e strofina il posto per lo zatvaryan sul conduttore dall'estremo passaggio al fener. Tova e è un affare cupo, tay kato vsichki conduttore sa si spera si nasconda in tyaloto e sotto l'arazzo. E quindi, come giusto?
Ako fenert non ha reagito a vsychki vrati, togava prima controllando e, se necessario, pulendo l'ingresso in esso, l'interruttore (vedi sulla montagna), e la traccia del tovarsim ha interrotto il conduttore comune dagli interruttori estremi al paralume. Tova e è un'opera cupa, ty kato vishchki guide sa si spera si nasconda nel tyaloto e sotto il tapiceriat, ma non puoi inviarlo su richiesta. Sì, ora risparmierai tempo con un fenerche illuminante individuale.
Schema sul navigatore VAZ 2114
Quella e è molto semplice e, quindi, è un po 'una possibilità di malfunzionamenti. Esamina l'immagine lungo la lunghezza.

Schema schematico per il collegamento al Fener di navigazione VAZ 2114
Il tuk imame è racchiuso nel fener F (situato nel blocco di montaggio), lo snodo X1 e la chiave SW1.Prevklyuchatelyat se aktivira attraverso zavartane sul "glavat" sul fenerceto. Qui puoi disturbarmi, sì, seguimi:
L'ufficiale che presiede è bruciato. Rimuoveranno anche il cato con chiarimenti di base (F3), quindi l'algoritmo per rimuoverlo da un malfunzionamento lo rimuoverà - è descritto in modo sufficientemente dettagliato in una montagna.
Preswitch difettoso. Dal Fener destro (vedere la sezione "Come eliminare il capac e cambiare il lampat"), dalla cassetta destra dal grado dell'interruttore, controllare il contatto sull'interruttore (nell'immagine lungo la lunghezza della marcatura con il frecce), pulirlo, se necessario.

Contatti sull'interruttore sul fener sul navigatore VAZ 2114
Possibile cattivo contatto tra lampata e presa. Sostituire il nido e la lampata, pulirlo, se necessario. Ako tova non è utile, dopo che il contatto è stato effettuato sulla cassetta, un terminale del conduttore nero viene messo sopra il tyaloto. Dalì gli ha dato fuoco? Tarsim preksvane sul conduttore tozi, che è connesso con il tyaloto. Ako non possiamo farlo, elimineremo il difetto, invece di esso, lo cambieremo.
Puoi usare uno spray su tova. Razbrahma vtreshnoto chiarimenti sul VAZ 2114. Questo viene schiacciato sul frantoio nel ty e, se necessario, rimosso per i principali malfunzionamenti, nessun problema per noi.
