Specifiche sui LED di potenza 5730 e applicazione
Titolo: LED 
Il LED della serie smd 5730 è una delle migliori fonti di luce nella sua stessa categoria. Questo prodotto deve essere la combinazione ottimale delle principali caratteristiche tecniche: dimensioni, flusso luminoso e potenza elettrica.
Contenimento: 1. Dimensioni e parametri 2. Mezzo a Wat 3. Qualcuno sta strisciando 4. Striscia LED 5730
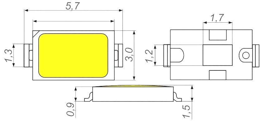
Dimensioni e parametri
LED SMD 5730 e-bright, che in qualche modo spiega la popolarità di altre sorgenti LED nella luce.
Le principali caratteristiche tecniche del led SMD 5730 sono riportate nella seguente tabella:
№
p.p.
Specifiche tecnicheunità misurataStabilità misurata1Flusso luminosoLm45-50/110+2Energia elettricaW0,5/13Temperatura di esercizioС– 40 – + 654Temperatura di stoccaggioС– 55 – + 1005Temperatura di stoccaggioС3006Corrente nominalemA1507Tensione di esercizioV3,1–3,38Dimensioni geometriche (L×P)mm5,7×3,09L su 12010 Indice di trasmissione della luce Ra60-8011 Temperatura colore SI CE3000-7500
Per vostra informazione! La temperatura sulla luce brillante e è data nell'intera gamma di radianza del tipo di luce bianca: calda (3000–4000K), neutra (4300–4800K), bianco puro (5000–5800K) e ghiacciata (6000–7500K).

Dimensione smd 5730 indietro kjm sdzharzhanieto ↑
Mezzo a Wat
Ben presto, sul mercato dei prodotti per l'illuminazione, sono apparse nuove modifiche sui LED della serie in questione.
Distinguili dai modelli kato standard sativa presenta un'elevata potenza e una maggiore emissione di luce.
Importante! Modello con una potenza di 1,0 W ca marcatura kato 5730-1 e dotazione ca con due cristalli. Il flusso Svetlinniyat in un tale dispositivo può essere di 158 lumen.

Utilizzato su smd 5730 in produzione su lampade per auto indietro kjm sdzharzhanieto ↑
Qualcuno sta strisciando
A causa delle caratteristiche tecniche, che consentono di ottenere un'elevata luminosità a bassa potenza elettrica, SMD led 5730 è ampiamente utilizzato nella produzione di vari dispositivi di illuminazione, vale a dire:
- sorgenti per l'illuminazione (lampi), per l'illuminazione artificiale di locali per usi vari;
- Lampade per automobili per vari tipi di utilizzo (illuminazione esterna, segnalazione luminosa, retroilluminazione);
- Illuminatori esterni del corpo;
- Strisce LED utilizzate per l'illuminazione artificiale, l'illuminazione e la decorazione sia all'interno che all'esterno.

Lampadina con attacco E27, con smd 5730 
Faretto LED modello "11000LM" con sensore di movimento 
Striscia LED 5730 utilizzata per l'illuminazione artificiale e l'illuminazione durante la decorazione delle stanze indietro kjm sdzharzhanieto ↑
Striscia LED 5730
Grazie per la luminosità luminosa, presente su SMD 5730, nastro LED, nella direzione della luminosità, è stato utilizzato con successo come sorgente catodica per l'illuminazione artificiale in vari tipi di locali (amministrativi, pubblici, abitazioni).
La potenza sulla striscia LED smd 5730 dipende dal colore del LED, impostato a un metro dal prodotto. Tova se izrazyava in stonostite, la testimonianza nella tabella seguente:
Tipo LEDPotenza elettrica per singolo SMD,
W
Lancia LED per metro dal prodotto,
neshcha
Potenza elettrica totale per metro GUIDATO Pandelki,
W
SMD 5730-050,5157,530156030SMD 5730-11,0151530306060
Lanciano il LED, mettono il nastro LED su un metro, è mostrato sull'etichetta.
Come regola generale, le strisce LED vengono realizzate nella lunghezza misurata, che è di 5 metri.

Vista visiva del nastro con segmenti e una linea oltre Ryazan
A seconda del tipo di copertura, le strisce LED sono offerte in diversi gradi di protezione (codice IP), che è regolato da GOST 14254-2015 (IEC 60529: 2013) "Gradi di protezione contro gli ostacoli (codice IP)".
Prodotto dal più alto grado di protezione IP65 - IP68 può essere utilizzato in ambienti umidi e umidi, nonché direttamente in acqua per l'illuminazione di acquari e piscine.
Esistono due tipi di tensione operativa per la sorgente di illuminazione artificiale: 12 e 24 volt CC. Per controllare il lavoro di tyahnata, tutti usano un dispositivo speciale per regolare il silat sul flusso luminoso - dimero.

Striscia LED al lavoro
A causa della potenza relativamente elevata, la serie SMD 5730 genera una notevole quantità di carburante nel tempo. Installalo su un prodotto del genere e provalo con l'aiuto di un profilo in alluminio, permettendoti in qualche modo di stenderlo su toplinat e avviarlo e mettere lo stomaco sul LED.
I moduli con varie forme e dimensioni sono prodotti sulla base del nastro LED della serie SMD 5730, che viene utilizzato nella produzione di lampade con varie dimensioni e configurazioni.
Nastro LED della serie SMD 5730 è uno stile individuale nell'interior design per case e indicatori di qualità per l'illuminazione artificiale.
PrecedenteLED della serie Smd 5630 - specifiche e utilizzoProssimoCaratteristiche dei LED su LED SMD 2835 rispetto alle principali differenze