Koga lampata per l'evacuazione tryabva sì accendilo automaticamente
Quando sviluppato su progetti per sistemi di illuminazione nel golem dell'industria, nell'organizzazione e sul campo, può essere fatto contemporaneamente dalle luci del coro, è importante che tutta l'illuminazione di emergenza sia configurata correttamente. Compagno aiutami ed evita di farmi male o morire in caso di fretta e altre situazioni insolite.
Compito sul sistema per l'illuminazione di emergenza e creare le condizioni per l'evacuazione in sicurezza a Horat. Per tov seosiguryava, è stato normalizzato per l'illuminazione per la visibilità sugli oggetti lungo il percorso sul torrente dal coro in tempo per l'evacuazione. Chiarimento a trebva e lavoro dory con le labbra in deposito per il periodo necessario di volta in volta.
Contenimento: 1. In che modo i documenti contengono norme e ricerche 2. Classificazione e definizioni da NTD 3. Ricerca di base 4. Dispositivo di illuminazione di emergenza 5. Selezione per l'illuminazione del corpo 6. Un esempio di calcolo e progettazione per l'illuminazione di emergenza 7. Conclusione
In che modo i documenti contengono norme e ricerche
Applicazione per l'illuminazione di emergenza sul giardino recintato fornita nello standard nazionale per la federazione Ruskata GOST R 55842-2013 e nel set dalla regola SP 52.13330.2016, SP 439.1325800.2018, SP 52.13330.2011.
GOST R 55843-2013 per il regolamento sulle condizioni per l'organizzazione dell'illuminazione di emergenza per i punti del tunnel. La ricerca di sistemi di illuminazione di emergenza per l'utilizzo dei fondi conterrà altra documentazione normativa e tecnica.
Classificazione e definizioni da NTD
Chiarimento di emergenza trebva e lavoro, se conservato, è escluso.È inoltre una garanzia di movimento sicuro per il coro in caso di collegamento a un impianto elettrico, incendio, incidente o altra situazione simile.
A seconda del fabbisogno di illuminazione di emergenza, la stessa si suddivide nelle seguenti tipologie:
- illuminazione di evacuazione;
- illuminazione di riserva.
Pensa al primo termine. Tesi del sistema sono utilizzate per illuminare le strade, isolare lo spazio, i cimiteri e le marce e per organizzare l'uscita al coro all'aperto. Lo scopo principale di loro è sì, no: perdono, è sicuro e la via d'uscita è sicura.
I dispositivi di illuminazione devono essere accesi e accesi ed essere in grado di illuminarsi sul posto per un po ', è necessario per l'evacuazione in caso di incendio, calamità naturali e altri processi pericolosi, dori e yama proteggono dalla fonte principale.
Il chiarimento dell'evacuazione è suddiviso in:
- illuminazione per luoghi di evacuazione;
- illuminazione protettiva;
- illuminazione antipanico.
Illuminato sul luogo dell'evacuazione, tremante e dando l'opportunità di una rapida identificazione. Sono strisciato fuori per osiguryavane per sicurezza in tempo per il movimento sul torrente dal coro lungo l'intero percorso.

Figura 1. Chiarimenti sull'evacuazione.
Presumibilmente, questo chiarimento è diffuso sull'area, che rappresenta un rischio elevato per le persone coinvolte nel processo produttivo. Sei autorizzato a completare il lavoro senza ostacoli.

Figura 2. Chiarimento protettivo.
In arrivo nelle sale oltre i 60 mq il chiarimento antipanico. Giocattolo oshiguryava rosso, dokato superiorità ai golem del broy chorus fino alla fine. Il tipo di illuminazione Tozi non è necessario per i golem della stanza, dori ako ima luce abbastanza naturale.

Figura 3. Chiarimento antipanico.
Le differenze tra la riserva e il chiarimento dell'evacuazione sono incluse nelle condizioni per il lavoro ininterrotto sull'attrezzatura e la continuazione del processo produttivo, ma il chiarimento principale è escluso.
Viene utilizzato il chiarimento di riserva, a volte c'è odore di ferite, velenoso o altri fumi per lo stomaco ed è salutare per il personale in caso di imbarazzo prolungato nel processo tecnologico. Ad esempio, a volte si sente l'odore di un incendio, un'esplosione e l'esaurimento di sostanze radioattive o tossiche, per questo è necessario per il normale funzionamento del sistema di alimentazione elettrica e idrica, riscaldamento, condizionamento e fognatura .
Ordinariamente sistema per il chiarimento di emergenza del progetto senza la possibilità di utilizzarlo per il chiarimento dell'evacuazione. Ma se è necessaria una combinazione, imposta il sistema di illuminazione di riserva e cerca di dissuaderti dall'indagare per il sistema di illuminazione in tempo per l'evacuazione.
Ricerca di base
La sorgente principale per l'illuminazione di emergenza è una sorgente ad accumulo, indipendente dal sistema di accumulo principale. Verificare la presenza di luce nel sistema e tryabva sì possono identificare correttamente il colore e sì imat l'indice sulla resa cromatica, pari o sugli obiettivi di 40.
Illuminare il corpo per l'illuminazione di emergenza può essere costantemente acceso. Tolleranza di tutto il montiraneto verso di loro prima dell'opera dell'illuminatore del corpo. Quelli possono sì essere accesi automaticamente nel caso di preesistenti su zahranvaneto. Ancora una volta, illuminare i corpi per i sistemi di illuminazione di lavoro e di emergenza da un unico tipo, designato per un sistema per l'illuminazione di emergenza, che è indicato dalla lettera "A" dal rosso.
Accendi il sistema per i luoghi di evacuazione e fornisci le condizioni necessarie per il movimento senza ostacoli al coro nel recinto o quando si sposta la presidenza in un luogo sicuro. A tempo debito, vengono stabilite tutte le condizioni per determinare con precisione l'attrezzatura per la sicurezza o l'estinzione degli incendi.
Al lavoro, il tempo è trebva, sì, è solo una piccola ora e sì, osiguryava:
- traccia 5 secondi - 50% della schiaritura standardizzata;
- traccia 10 secondi - 100% di illuminazione.
Sistema Takiva che prevede il movimento sul torrente ceco:
- nell'industria, recinzioni e locali privi di luce naturale;
- nei corridoi o nei corridoi, nelle zone del tyahnoto presichane;
- a luoghi con differenze di nivoto sul focolare;
- ai luoghi, al movimento, al coro, puoi cambiare il palo;
- sul tavolo, quale chiarimento era necessario per tutti;
- prima del punto di assistenza medica e di uscita per l'evacuazione;
- nell'area situata sul dispositivo di allarme, evacuazione pianificata e mezzi antincendio.
Il sistema per il chiarimento dell'evacuazione si accende automaticamente, quando il sistema è memorizzato per il chiarimento di lavoro, o il sistema sta lavorando in tempo per un intero movimento nel coro. Iziskvaneto se si riferisce a locali con presenza permanente nel coro o destinazione di frequentazione permanente.
L'illuminazione è sicura e l'illuminamento osiguryava è di appena 2 lux nel settore come recinzione e di appena 1 lux in aree aperte. L'importo della chiarificazione può essere superiore e può arrivare fino al 5% della chiarificazione nominale per il sistema di chiarificazione di lavoro.
Il prossimo preksvane sul sistema zahranvaneto per il chiarimento del backup tryabva e l'illuminazione di osigure almeno il 50% dello standard i prossimi 15 secondi e il prossimo 1 minuto - 100%, dopo che tutte le altre indagini non contano.
Il tempo minimo per mantenere in funzione l'impianto di illuminazione è di 15 minuti. Dipende dalla lunghezza del percorso e dall'armatura dell'orat. Di solito è 1 ora, ma in ogni caso è necessario che le lampade funzionino per 3 ore.
L'esame per la resistenza al fuoco presso OKL è stato introdotto nel 2012 con modifiche alla legge federale 123-FZ "Norme tecniche per lo studio della sicurezza antincendio".
OKL - set di attrezzature, pronto per l'installazione. Compresi cavi dalla griglia dietro l'okachvane, tavy, canali via cavo o tubi corrugati, scatole di distribuzione, tagli, ecc.

Figura 4. Elementi di una linea in cavo resistente al fuoco (OKL). indietro kjm sdzharzhanieto ↑
Dispositivo di illuminazione di emergenza
Schema per l'illuminazione di emergenza, inclusi alcuni degli elementi principali:
- Protetto.
- Grumoso.
- Cambia dispositivo.
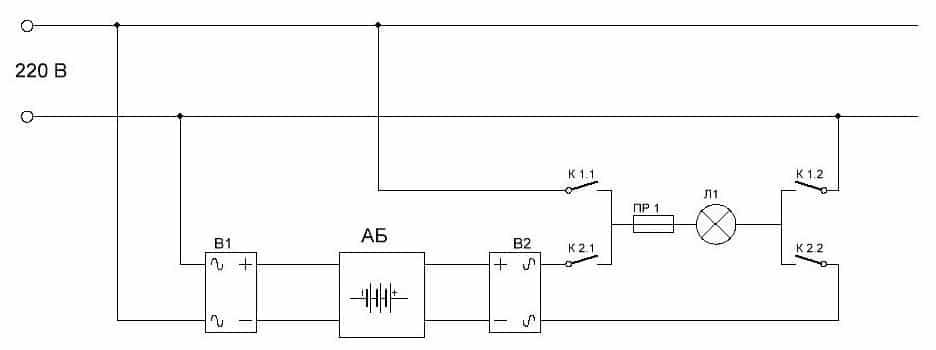
Schema per l'illuminazione di emergenza da diverse fonti all'illuminazione

Schema per l'illuminazione di emergenza da diverse fonti all'illuminazione.
La batteria (AB) proviene dalla sorgente catodica sullo stoccaggio nel bacino. Caricare il convertitore di corrente B1. Sorgenti per l'illuminazione - lampada L1 (per un sistema di illuminazione funzionante) e lampada L2 (per un sistema di illuminazione di emergenza).
La potenza alla lampada L2 è inferiore dal bacino a L1, motivo per cui il compito principale è quello di fornire l'illuminazione di emergenza e osiguri l'illuminazione minima necessaria. Il tipo di sorgente luminosa utilizzata per questa lampada è di vario tipo: incandescente, LED o fluorescente.
Quando la protezione principale è disabilitata, il relè accenderà automaticamente la lampada L2, in alcuni casi proteggendo la batteria dalla batteria.
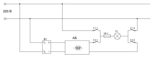
Ako questo è uno studio in un campo alto per l'illuminazione, corrispondente al lavoro, questo è uno schema con un'unica fonte di luce.
Schema per illuminazione di emergenza con un'unica sorgente luminosa

Schema per l'illuminazione di emergenza da un'unica fonte alla luce.
Sul retro è riportato uno schema dell'immagazzinamento di emergenza della batteria AB, prelevata dal convertitore di corrente (caricabatterie) B1. Raddrizzatore di corrente, del proprio paese, protetto dalla linea CA principale. In caso di mancanza di tensione dal circuito principale, i contatti del relè K 1.1, K 2.1, K 1.1, K 1.2, K 2.2 saranno protetti sulla lampada L1 dalla batteria AB.
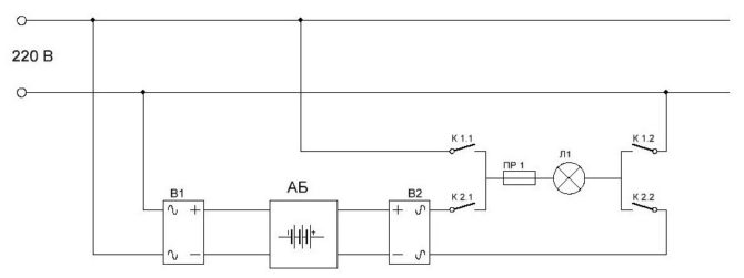
Raddrizzatore di corrente e catena di inverter

Illuminazione di emergenza con convertitore di corrente e inverter.
Lo schema Tazi è e-completato dal predishnat, per il gusto di aggiungere all'inverter B2. Per risparmiare lampada L1 con corrente variabile. Lo schema Tazi può essere utilizzato da tutte le fonti a Svetlina.
Sono largamente utilizzati corpi illuminanti da barriera di accumulo di emergenza e da batteria. Quelli sa nella foresta per l'installazione e il supporto. Ma c'è una carenza di batterie nel sistema. La reinstallazione a basse temperature può causare danni al paralume. Zatova sta utilizzando il dispositivo, che lo protegge dalla batteria dell'accumulatore, installato in un luogo sicuro.
Per il test delle prestazioni, illumina il corpo della tua attrezzatura con un sistema individuale per il test. Controllare tutto con un bocciolo. Un test generale è possibile con una connessione speciale, che è collegata al sistema per il test remoto.

Figura 8. Schema per illuminazione di emergenza con funzione di telecomando. indietro kjm sdzharzhanieto ↑
Selezione dell'asta di illuminazione
Iziskvaniyata kjm illumina il corpo per i chiarimenti di emergenza e di evacuazione è diverso. Evacuare la linea di luce dal strisciare dietro la designazione durante l'uscita.Dispositivi Tova sa con indicatori sotto il formato su pittogrammi e iscrizioni. L'illuminazione di emergenza del corpo può essere memorizzata indipendentemente o centralmente da un sistema speciale.
Illumina i corpi che si distinguono utilizzando le sorgenti luminose:
- con una lampada con una lettiera;
- con lampade fluorescenti ad alta efficienza energetica;
- con sorgente LED per illuminazione.
Modello su lampade a LED per motivi di popolarità:
- alta efficienza;
- sicurezza ambientale;
- buona resa cromatica;
- lipsa su treptene;
- il tempio è un ruscello leggero;
- lungo stomaco sfruttatore.
In ordine incrociano gli illuminatori del corpo con lampade fluorescenti. Technite predimstva sa ad alta efficienza dalla lampada con una zhichka accesa. Svantaggi: alta tenuta sulla scommessa treptene e zhivachny. Usa la lampada come un tipo di caduta pericolosa e tremante e tutto il trasportatore e lo correggeranno correttamente.
Illumina i corpi con una lampada da una lettiera illuminata e un consumo di energia maggiore rispetto a due tipi, vomitando una montagna, una pancia da sfruttamento corta, un campo alto per il riscaldamento.
Illuminare i corpi per la separazione prima di iniziare a montare o montare su quanto segue:
- bruciato o vdlbnato in una stenata;
- tavan.
È importante che non sia conforme a GOST 60598-2-22-2012 ed è guidato dalla compatibilità elettromagnetica. Mentre le condizioni per la compatibilità non sono le stesse, l'imbarazzo non appare in un diverso spettro di onestà. Tova se riflette negativamente sul lavoro sull'attrezzatura. Per questo, quando scelgono i corpi illuminanti, verificano la presenza di un idoneo certificato.
Grazie per aver reso popolari i modelli di illuminazione del corpo per i sistemi di illuminazione di emergenza.
LBA 3923
Descrizione:
La torcia di illuminazione è destinata all'illuminazione temporanea di luoghi di evacuazione, aree di lavoro nell'industria o locali residenziali durante il passaggio allo stoccaggio. Forse lo portiamo fuori dal nulla. La sorgente luminosa è costituita da due lampade fluorescenti T5 con attacco G5.
La potenza di illuminazione viene attivata per selezionare la modalità di funzionamento con una o due lampade. Ima e Bud per aver controllato il lavoro mu Flusso luminoso 600 lm, temperatura colore 6500 K. Potenza per lampada 8 watt. La tensione di lavoro è di 220 V. La pancia sulla batteria è di almeno 180 minuti con due lampade e almeno 360 minuti con una.
L'asta luminosa è dotata di un reattore elettronico (ECG). Tova oshiguryava non è un inizio divertente, un funzionamento silenzioso, nessuna pulsazione, che influisce negativamente sulla visione del corpo e nessun effetto stroboscopico. I reattori elettronici dipingono il consumo per l'elettricità dal 25% e aumentano la pancia per le lampade dal 20%.
Flusso luminoso: 600 lm 10 Pancia per batteria: 6 ore 10 Rapporto qualità prezzo 7 Importo totale 9 Tova osiguryava è altamente resistente alle influenze chimiche meccaniche e deboli. Il grado di protezione è IP20. Dimensioni: lunghezza - 405 mm, lunghezza - 75 mm, altezza - 84 mm. Teglo - 1,4 kg. Certificato Ima TS.Vantaggi e svantaggiVitello sanoTempo di lavoro lungoNessuna pulsazione e nessun effetto stroboscopico
A CASA SBA 1096-30DC


Descrizione:
L'illuminazione a LED è stata utilizzata nel sistema per l'illuminazione di emergenza in bitovy, bitovy e locali pubblici. Zahranvane - Batteria al litio graduata da 600 mAh. Pancia a batteria per 3 ore.Puoi aumentarlo a 5 ore eliminando alcuni dei LED con un'apposita chiave. Funzione Ima per testvane.
Prezzo medio: 299 rubli.
Flusso Svetlinen: 120 lm 2 Pancia per batterie: 5 ore 8 Rapporto qualità-prezzo. Flusso Svetlinen - 120 lm, ygl su dispersione su un flusso luminoso - 180 °. La dichiarazione del periodo di sfruttamento è di 30 ore hiladi. Corpo in ABS, diffusore in policarbonato. Il grado di protezione è IP20. Versione climatica su sorgente luminosa UHL 4. Efficace nel range da 1 a 40°С. Dimensioni: 160x65x42 mm. Teglo - 0,11 kg Vantaggi e svantaggi
FERON EL121


Descrizione:
Luce a batteria da 60 Tipo LED SMD 2835... Dal gattonare di questo cato, il caso ha fretta. Potenza - 6 W, flusso luminoso - 200 lm. Funziona da 220 V CA. Quando è spento sul mrezhat, si accende automaticamente. Imarchen l'interruttore per la modalità operativa e il bocciolo per il testvane per la funzionalità.
Flusso luminoso: 200 lm 3 Belly per batteria: 6 ore 10 Rapporto qualità prezzo. Tensione della batteria - 3,7 V, capacità - 2000 mAh. Animali sulla batteria per 3 a 6 ore. Il materiale del corpo è in plastica. Grado di protezione - IP 20. Dimensioni: 335x80x38 mm. Teglo - 0,33 kg. indietro kjm sdzharzhanieto ↑
Un esempio di calcolo e progettazione per l'illuminazione di emergenza
Standard per la progettazione del chiarimento dell'evacuazione, se necessario, in conformità con i requisiti dell'attuale GOST R 55842-2013.
Si pensi ad un esempio per il calcolo dell'illuminazione di emergenza per i costi di produzione.
Definisci il flusso luminoso:


- E - il flusso è luminoso, ma accettiamo che sia pari a 20 lm;
- Kz - fattore di sicurezza, 1,5;
- S - area per gregge, 60 m2;
- Z - coefficiente per alleggerimento irregolare, 1.1;
- η e coefficiente sull'uso di un flusso luminoso, 0,65.
Per l'utilizzo di una sorgente cato-emergenza su una luce intensa dall'utilizzo di un illuminatore a LED con un flusso luminoso di 200 lm.


Ф = 3046,2 ml
Broy su una lampada è determinato dalla formula:
K = F / Fs
L'accettazione del flusso luminoso per lampada è pari a 200 lm.
K \u003d 3046,2 / 200 \u003d 15,2 br.
Scegli un broya su una lampite - 16 br.
Conclusione
Nel progettare l'impianto per l'illuminazione di emergenza, prestando attenzione alla destinazione d'uso dell'area sgradata e neinata. Una volta sviluppato per un oggetto con una piccola area, ad esempio per un negozio, un sistema da una singola lampada con una batteria carica non è ottimale. Quando progettano su un sistema al di fuori del golem e dell'area commerciale, selezionano opzioni più complicate con una batteria remota, un sistema per il test remoto, che consente loro di combinare tutti i sistemi con un sistema per la prevenzione degli incendi e l'automazione.
PrecedenteAlleggerimentoIn quali unità vengono misurate l'illuminazione e la luminosità sulla leggerezza: come rappresenta un appartamentoProssimoAlleggerimento Come puoi vedere dall'illuminazione artificiale

