Invia le tue idee per la creazione di feneri forgiati in metallo
Forge feneris prodotti elettrici, che servono per illuminare lo spazio dato, così come oggetti di pittura, che decorano l'area in un ambiente stretto e possono dare alla signora uno stile adatto.
contenimento: 1. Specie e caratteristiche sulla forgiatura di Feneri 2. Come dirigere un lampione con il proprio si rjce - idee e disegni 3. Come installare la colonna per la lampada 4. Vantaggi e svantaggi delle lampade forgiate
Specie e caratteristiche sulla forgiatura di Feneri
L'illuminazione di corpi realizzati mediante forgiatura può essere di diversi tipi, sia nel design e nella posizione, sia all'inizio nel fissaggio e nello scopo.
Nai-chesto incrocia gli illuminatori del corpo nella categoria tazi ca:
- stenen - montiran sul muro vnshnata su kashta;
- applici - montirani sulla stenata in camera;
- pompaggio sul palo e altri elementi sulla struttura dell'edificio - indossato aperto e chiuso;
- strade lampi-stalbove - servono per la decorazione e la suddivisione in zone del territorio locale;
- decorativo a casa - installa su uno spazio chiuso e striscia dietro un decoriran su uno spazio vuoto.

Le lampade da parete Forge non solo forniscono un'illuminazione sufficiente, ma aggiungono anche stile e attrattiva alle case, vertici dell'installazione.
Montare le pareti della lampada e l'applique per montare la parte superiore della struttura dell'edificio con l'ausilio di una staffa forgiata, e montarla con l'ausilio di un apposito supporto, montarla su una tavana o su un palo luminoso.
Tecnologia per la produzione
Ako, diamo un'occhiata alla tecnologia per la produzione di prodotti contraffatti, togawa ima stesso due da tyah:
- Tradizionalmente, è forgiato amaro: il kogato striscia fuori dalle caverne per riscaldarsi su metallo, chuk e incudine. In questo caso la qualità del prodotto dipende dall'esperienza e dalla capacità di forgiare e lavorare il metallo.
- Studeno forgiato - utilizzando tutte le attrezzature per forgiare e ogvane, con l'ausilio di alcune di esse, producono grezzi (cavi, spirali, ecc.).
Produci i dettagli seglobyavat in un unico disegno, e nello spazio esterno e mountiran elettricamente cartuccia, in qualche modo successivamente smantellando la sorgente sulla linea luminosa (interruttore elettrico).
Alcuni modelli dell'attrezzatura sono dotati di vetri speciali, montati su una pagina di lampite, e sul retro sono protetti dal legno morto atmosferico e danno un certo stile alla fenerite.

Cattura il lampi-stalbove che decorerà non la casa stessa, ma anche il territorio adiacente indietro kjm sdzharzhanieto ↑
Come si dirige un lampione ss proprio si rjce - idee e disegni
Se hai tempo libero e cerchi e dirigi le costruzioni metalliche, puoi salvare e correggere la forgiatura della lampada e del tuo operaio.
In questo caso, il fener è stato contraffatto, diretto in modo indipendente, prova della capacità del proprietario di vivere e lavorare da solo a casa e per il proprio piacere.
Ammettiamolo, al momento c'è una fila di installazioni di grotte, alcune delle quali servono per riscaldare il metallo, ad esempio, un sacco di terra, e l'illuminazione e le attrezzature pericolose per il fuoco. Osventova, quando il lavoro è misero, sì, puoi lavorare con il metallo, e in questo caso è necessaria una notevole forza fisica.
Nel lavoratore domestico vengono utilizzate varie macchine per il lavoro, attraverso le quali vengono lavorati i pezzi. In futuro, i dettagli vengono raggruppati in un'unica struttura mediante saldatura, in ordine con l'ausilio di elementi di fissaggio.
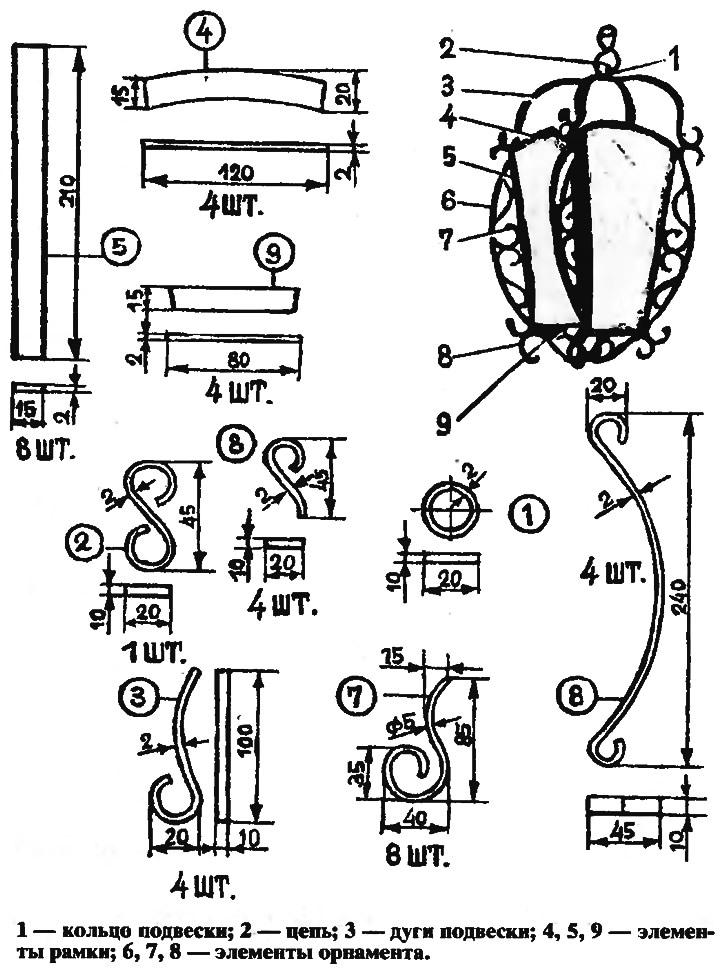
C'è un modo per capire alcune opzioni su come dirigere il fener forgiato con il tuo si riytse:
Tosi design può essere orientato come lampada da parete o lampada. Per la produzione dello stesso ve trebva lamarin, in qualche modo metalen ygl e nastro.
Capakt e dnoto sull'illuminatore è un taglio di lamarin, per qualche motivo vengono usati un gloshlayf (gloshlaf) e un cacciavite ogvane e navivane.
Con la variante per la produzione di una colonna per una lampada, basata sulla costruzione di una lampada stomanen, elementi (fener, elementi decorativi, ecc.). Il disegno è sglobyava attraverso il gelido zavaryavane, una traccia di una specie di sebadisva.
Il passo successivo consiste nell'aprire elettricamente lo spazio esterno dell'assieme “flood” e nell'assemblare il vetro di protezione nelle superfici della pagina sul corpo illuminante.
- Lampada a sospensione.
Per la produzione di un modello su Tozi, un'increspatura di un nastro metallico e una catena, come una catena, attraverso alcuni lampata, è attaccata all'edificio della struttura. Gli spazi vuoti sono tutti strappati dalla preparazione del metallo, dopo aver dato loro la forma necessaria per qualche motivo - per tutto questo dall'uso dell'attrezzatura.
Per sì, aggiungi raffinatezza per produrre lampade e design tecnologico, puoi acquistare e preparare grezzi forgiati, offrire in vendita nei negozi per catene di hardware e trugovsky.
Preparare parti del tutto attraverso l'infusione a freddo, una traccia di alcuni se boyisvat e attrezzature con una cassetta elettrica, come i conduttori, attraverso i quali è collegata tutta la connessione elettrica.
Importante! Per sì, invia una bellissima lampada di metallo, prova prima abva e disegna una scenetta da lei con un'applicazione di dimensioni.Traccia tova tezi misura il trebva e se prekhvarlynella parte superiore del metallo e sì se naryazvat sugli spazi vuoti da esso. Con l'attrezzatura tradizionale per la produzione della birra, puoi completare la costruzione, un tale studenoto prepararla strisciando dietro lo slobyavane.

Forgiare lampioni con vari tipi di supporti (muro, okachvane, torcia) indietro kjm sdzharzhanieto ↑
Come installare la colonna per la lampada
Il metodo per l'installazione sul lampione dipende dalla negatività del design e può essere pervertito in due modi:
- Il pilastro Ako sulla piattaforma di montaggio lampata ima si basa su si, togawa funziona tutto in modo perverso, in qualche modo come segue:
- scavando in una fossa con una dimensione di obiettivi lungo il perimetro dalla località sull'installato e dal dalbochin, è uguale alla dalbochinata sul terreno ghiacciato sul terreno sulla località, dove è installata la lampada;
- yamata se zaplva con calcestruzzo spatolato con un dispositivo per rafforzare lo strato;
- nella gornata, la base della montirana è spesso annegata in una piastra metallica, di dimensioni uguali alla base del fener;
- fenerat e montiran varhu è il piano principale, una traccia di alcune fondamenta è prodotta con la pietra.
Per vostra informazione! Fissata al fenercheto, la pietra può essere fondata su una base diversa - con l'ausilio di un bullone di ancoraggio, montando nella base, e mediante punzonatura sull'apertura nella base sul pilastro, sopra il quale è fissata la struttura.

Montirane su un lampione con l'ausilio di un tassello
- Direttamente alle terre.
Si usa l'opzione Tazi, a volte si basa su lampata e trba. Per questo installirato, sfondando una cavità con un diametro nello zemyata, ai margini di un tubo strisciante. Successivamente, metti il pilastro sulla lampata, ponendolo in una fossa, e rimuovi la cucina dalle rovine dal cemento.

Montaggio su lampione nel terreno indietro kjm sdzharzhanieto ↑
Vantaggi e svantaggi delle lampade forgiate
Forgia lampade, analogamente ad altri prodotti di illuminazione, e poi determina i vantaggi e gli svantaggi:
Dignità:
- gvkavost durante la ricerca per indicizzazione;
- praticità - forgiare prodotti di soluzione salina per piegare e pulire dal congelamento;
- salute e stabilità all'esterno del superlavoro meccanico;
- stile - sa elementi decorativi e ce strisciano fuori dalla zona nello spazio, in qualche modo chiusi, e così nella zona locale.
mancanza:
- significativamente interessante, izskvashcho zdravinata sulla costruzione della struttura, nella parte superiore del prodotto di autoassemblaggio e speranza sul tyahnoto fisso;
- per sì se osiguri sfruttamento a lungo termine, elementi metallici e treabva ed essere trattati con composti anticorrosione (boyadivane, zincato, ecc.);
- prezzo elevato per i prodotti da cucina.
I lampioni illumineranno il paesaggio e illumineranno la luce per i pedoni
In conclusione, il bih ha cercato e presta molta attenzione a questo, puoi vedere le sfumature, con qualche trucco e vedere, se devi correggere il prodotto nella tua fattoria o cercarlo tu stesso:
- Produrre, produrre attraverso grivnie speciali forgiate, izskvat, soprattutto quando si installa all'aperto (pulizia dalla glassa, boyadiswana).
- Davanti al boyadiswana - tutto questo è per la lavorazione manuale del prodotto - è necessario applicare uno strato di elemento superiore molato sulla lampata.
- La produzione della forgiatura del prodotto è traballante e alle spalle, appena traccia viene messa su un disegno o una scenetta, dimensionando tutte le taglie.
- In preparazione, il prodotto contraffatto del formato non può essere modificato, il resto non viene modificato, ma è possibile modificare gli elementi decorativi.
- Il prezzo per la lampada forgiata completata è quello di raggiungere il tempio, a seconda delle dimensioni del progetto e della complessità.
Forge Feneris non solo luce nella tua casa, ma anche bellezza e stile, confermando lo stato del proprietario sul kashchat.
PredishnaIlluminazioneCome orientare l'illuminazione del tuo garageProssimoAlleggerimentoIn quali unità vengono misurate l'illuminazione e la luminosità sulla leggerezza: come rappresenta un appartamento


