Come inviare l'illuminazione al balcone
Lipsata sul tetto di un balcone o di una loggia, a volte cucita da designer e architetti, questo è un fenomeno normale. Indipendentemente dal prodotto, il prodotto è scomodo, soprattutto prevedendolo, che quasi ogni giorno trasforma un balcone in un'ulteriore routine quotidiana. Ma i problemi di tozi possono essere rimossi da soli. Nell'articolo parliamo per tov come autonomamente e organizzare l'illuminazione sul balcone.
Come dirigiamo l'illuminazione
Contrariamente al fatto che il compito non è particolarmente difficile, quando scortato a Svetlina sul balcone, sono previste molte sfumature, sia generali che corrette per caratterizzare i greggi. Base sa:
- Myasto su svurzvane a kabelevane su appartamenti.
- Posizione su lampada e chiave.
- Tipo illuminatore.
- Taglio dritto sul cavo.
- Metodo del cavo.
- Misure per la protezione contro le correnti d'urto.
1. Selezione per un tratto rettilineo su un conduttore
Qui yama chiedi. Per l'illuminazione dell'appartamento, utilizzare un cavo con una sezione trasversale di 1,5 mm². Sui balconi accendiamo le lampade dalla potenza inferiore, un quadrato e mezzo così non sarà sufficiente.
2. Inizio e fine per la modifica
Ako il nostro gregge improvvisato è imbrattato o cucito con, diciamo, muro a secco, togawa ima smisyl e mandiamo uno skrito scarabocchiato. Ako no, togava non trema e fa a pezzi i muri: è pericoloso. Puoi aprire il cavo. Antiestetico? La questione è discutibile. La posizione civettuola del canale via cavo è decente.

Montare in modo civettuolo i canali via cavo, yama e rovinare l'estetica
3. Myasto su svarzvane
Ima due vozmozhnosti - sì vyrzhete con il contatto più stretto con i greggi, o sì, mantieni una linea separata dal quadro di distribuzione. Alcuni danni alla loggia non meritano di essere separati dal cavo per l'intero appartamento. Molto più conveniente, sì, puoi stabilire un contatto ravvicinato in uno stormo, sederti su un balcone, ma la maggior parte del contatto è collegata a terra e collegata tramite un RCD (guarda in basso per sicurezza).

Svurzvane su kabelevaneto sul balcone kjm contatto in stormi
Maggiori dettagli per il metodo sulla cabala e svarzvane, puoi solo intenderli nello statuto "Dirigiti verso il cavo sul balcone».
Analizza ancora la cornice, ferma i punti in dettaglio.
Balcone o loggia vetrata
Metteremo un po' di luce sul balcone vetrato o sulla loggia. Dove metti le luci e le chiavi? Tutto dipende dalla qualità del vetro e dalla protezione dei locali dall'ambiente circostante. Ako imam ha telai gemelli, non scorre da nessuna parte, togava può illuminare e metterlo su tutti i lati - pompa da tavan o montirani sullo stenat.

Il balcone di Ako è praticamente freddo, la togava lampite può essere messa su una tavana.
Struva si da da da de preferenza sui muri lampi kato applici e si metteranno lo stenat in prossimità del gregge, specie se il vetro non è doppio. Sono una piccola causa per Tova:
- Nel bosco, ad esempio, il fissaggio della lampada in alto è marcio, il muro è scheggiato in cima al focolare (loggia).
- Tavant sul balcone è una costruzione casalinga, alcune potrebbero fuoriuscire e ancor più lampata. Inoltre, lo stesso può essere diretto dal materiale in fiamme.
- Nyama ha bisogno e kabelivate tavana - è difficile e antiestetico.
- Il corpo illuminante è ancora protetto dalla pryska, quindi porteremo via e chiuderemo il veggente in tempo per un giorno, per qualche motivo è giusto (il balcone non è un appartamento, apri il veggente e lascialo andare).
Prevklyuchatelyat se preporuchva e mettili in stormi, kato se tova polemica con condensatori, muzhitsi, koito sebirat sul balcone. Ma molte merci sono state riscaldate: puoi installare i contatti nella banyata, ma il passaggio al balcone non è così. Labbra carnosea sul buon senso. Metti il preinterruttore sul balcone, ma sul posto, al riparo dall'umidità. Puoi anche vedere la chiave e l'illuminazione del corpo in relazione alla fine dell'ambiente della rotatoria, poiché l'elemento è separato.
Il balcone Ako non è vetrato
È difficile organizzare l'illuminazione sul balcone, ma non è abbastanza realistico. Il balcone non smaltato è sulla strada Metti i corpi sul muro nelle immediate vicinanze dell'appartamento, vicino al centro, ed è meglio non bruciare, ma avere un muro o una specie di applique. Tova, per qualche motivo, all'inizio, prepas da brutti momenti e un muro bagnato.

Opzione aperta per l'illuminazione sul balcone
L'interruttore è in una località, in una località, che è in qualche modo flessibile a pryski, ma il tremito dovrebbe essere adeguatamente protetto dall'ambiente circostante. Per vedere l'illuminazione del corpo e la chiave per uso esterno, si parla in modo casuale.
Importante! Il balcone non smaltato non è il caso, quando ha senso mettere l'interruttore nel gregge adiacente e lo stesso "aratro" sul cavo, a cui è collegato il paralume, e tutto portato al balcone.
Schema per il cablaggio e altre sfumature per l'installazione
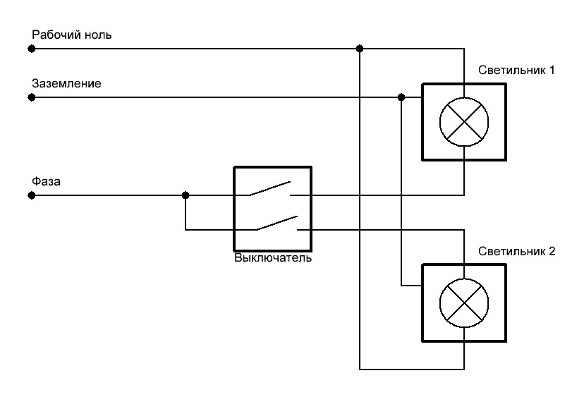
Nyakolko pensa a uno schema su svarzvane. Tova e è eccezionalmente semplice. Ad esempio, uno o due illuminatori del corpo e un interruttore, una kutia di collegamento, possono essere rifiutati. In Tosi il caso è un anello debole con un'intrusione non necessaria, per qualche bene, sì, rifiuti. Pensa a un'opzione ingenua: un interruttore e una lampada.

Uno schema semplice per l'illuminazione sul balcone
Ako balconi o è venuto e organizza una sorta di chiarimento, ad esempio chiarimento di base e locale o decorativo per il relax, quindi lo schema del pentagramma non è complicato, ma non diventa predominante. Basta aggiungere un'altra lampada e sostituire l'interruttore singolo con due gemelli.

Schema con due corpi illuminanti
Tryabva sì agli installatori RCD
In qualche modo, senza dubbio in montagna, il regolatore dei documenti e dei balconi e delle logge obicoliha in relazione alla sicurezza elettrica. Il cablaggio elettrico potrebbe non essere presente in nessuna delle due tipologie di stanza. Una cosa del genere è una specie di mente sana. Dory su un balcone o loggia vetrato con possibilità di elevata umidità e condensa, ty kato, parvo, la qualità di esso è vetrata e la muratura domestica è incomparabile con la capitale. In secondo luogo, queste premesse, salvo rare eccezioni, non si surriscaldano.
Zatova, equipariamo la vetratura di un balcone con sorzheniya ad alto rischio. Tova significa, che tryabva e ima protezione, attraverserò la corrente differenziale. Tova non significa ciò che è necessario. Poliley non è un nido, in qualche modo se kachvam con un ryatse, ma contrariamente a tov. Qual è il balcone o la loggia per i non vetri, possono essere equiparati a una strada. RCD qui (VDT) è inequivocabile. Quando si sceglie un dispositivo di protezione, è inoltre necessario prestare particolare attenzione a come è il valore della corrente differenziale di funzionamento. Se hai bisogno di protezione contro le correnti di taglio, scegli RCD con una corrente di lavoro non superiore a 30 mA.

Preswitch 30 mA per corrente residua
Se questo è correlato alla messa a terra, allora questa è un'esigenza in ogni caso, indipendentemente dal bagliore, dall'umidità e dai capricci. E non abbaiarlo a terra ss a terra!

Metti a terra il tuo corpo in ogni caso
E un'altra scorta.Alcuni assicuratori prevengono e installano lampade a 12 volt sui balconi e proteggono da un trasformatore step-down. Tova e è ridondante. La sicurezza è sicurezza, ma vvsichko, qualcosa che trema e sai quando sì sprete.
Come scegliamo le lampade
C'è una piccola foresta. Ako loggiata o balcone sa “zazidani” diligentemente, togawa puoi mettere una lampada, ad esempio, in un gregge. C'è solo una cosa, alcuni trebva e stee sigourni, se prevedi l'apertura, allora non ci sono inondazioni dalla pioggia: il gregge è ancora piccolo. Ako yama takawa fiducia, togava e in un buon modo e installa l'illuminazione del corpo con protezione dagli spruzzi. Lo stesso vale per la protezione ambientale IP44 (protezione contro particelle solide superiori a 1 mm e taglienti).
Dory ha un balcone completamente vetrato ed è meglio installare lampade e proteggersi dall'umidità, che non può essere evitata in un gregge non riscaldato.
Per un balcone o una loggia non vetrati, si decide di eleggere lampioni che possono lavorare apertamente.
Grado di spinta ss illuminante esternamente per protezione IP55 adatto per balconi aperti
Risolviamo con la preinclusione. Il balcone di Ako è completamente vetrato, togawa crea abitudini. Ako generalmente non è vetrato, via togawa.

Chiave Vntshen ss grado di protezione IP54 (protetto da polvere e polvere da qualsiasi linfa)
E un'ultima corsa. Quasi tutti i lampioni non sono chiusi, cioè il krushkat non è un "piatto". I corpi illuminanti Takiva non sono molto indicati per lampade con lampada accesa. Ogni volta che scegli un lampione, sarai preparato al fatto che è una lampada e una lampada, e verrà sostituita con una più fredda: LED o fluorescente.
Idee di design per l'illuminazione del balcone
E infine, alcune idee per organizzare l'illuminazione sul balcone.

Una lampada che resiste alle crepe: la sfumatura su vetro verde in metallo scara non è troppo formidabile 
Hubavi, ma le lampade pendono basse, le lampade semplicemente cadono, quindi lo prenderemo e lo faremo tacere 
I corpi illuminanti Line per tavan sono una splendida opzione per il campionario flock ss 
Riflettori non sa nai: genereranno l'opzione per chiarimenti generali, ma avranno un bell'aspetto 
Indossa ghirlande per i koledni degli elkhi e l'arredamento sarà meraviglioso. 
E lascia che quelli decidano di illuminare il balcone con l'aiuto della striscia LED.
Una cosa del genere è un po 'più luminosa sul balcone. Tova è una domanda semplice, puoi fare tutto. Per sì, manda compagno, immagina il bisogno stesso dal desiderio e dalla minima conoscenza dell'ingegneria elettrica.
PrecedenteIlluminazioneCome orientare l'illuminazione moderna per la camera da lettoProssimoUna precisazione
