Tryabva sì piegato RCD per chiarimenti
Una volta presa la decisione di installare o meno l'RCD per chiarimenti, molti tendono a realizzare un dispositivo intelligente. Tova Chesto lo ha giustificato da un lipsat a una carne nel tabellone per chiarimenti.
Qual è il documento normativo kazako nel bacino vrazka? C'è un altro modo per dissuadere i truffatori sul razporedbite? Si prega di descrivere in dettaglio i dispositivi di protezione installati nel bacino.
Contenimento: 1. Ricerca sul PUE 2. Ricerca su altri documenti normativi 3. Generalizziamo per un po ': è necessario aggiungere l'RCD al chiarimento? 4. Conclusione
Ricerca per PUE
Se chiedi a tutti noi fino al punto di necessità, dall'installazione sull'RCD per la linea, alla protezione dei nidi, la risposta è stata inequivocabile: non è necessario installarlo sul dispositivo di protezione. Nel caso di illuminazione cablata, non ci sono direttive relative all'installazione sull'RCD sopra l'illuminazione in PUE.

Clausola PUE 7.1.19 indietro kjm sdzharzhanieto ↑
Ricerca su altri documenti normativi
Il montaggio su RCD per chiarimenti è regolato nel codice dei regolamenti SP 256.1325800.2016 al punto 5.4.12. Qui stiamo parlando di un'installazione su una lampada nella zona 1 - uno spazio commerciale in prossimità di una sauna o di una doccia (e ci sono 4 zone in totale, a seconda dell'umidità).
In tempo per l'installazione, il lavoro è strettamente limitato alla ricerca di documenti normativi. Istinskiyat professionalist yama sì, deviare da tyah, i piaceri del designer dori ako vanno izskvat. Nai-momento importante quando installato correttamente sul cablaggio elettrico e labbra su dori nai-malkata possibilità per situazioni di emergenza.
Secondo Tozi, ha iniziato a rispondere alla domanda "L'imam ha bisogno di chiarimenti sull'RCD?" puoi rispondere affermativamente.
Generalizziamo: è necessario chiarire l'RCD?
Per la risposta finale alla nostra domanda, toccheremo brevemente il principio dell'azione sul dispositivo per la corrente residua.
Il dispositivo è per la corrente residua e il pre-commutatore, caratterizzato da un'elevata velocità e che reagisce alla differenza nel percorso della corrente, in contrasto con la prefase e il conduttore zero. Preksvacht reagisce a svrhtok vjv verigata. L'RCD del proprio paese reagisce alla corrente di dispersione. A causa della differenza tra il filo di corrente, che sostituisce il convertitore di fase, e il conduttore neutro, l'RCD non è protetto in modo divertente.
Compagno, risparmia lo stomaco per un uomo, poiché l'isolamento del conduttore è completamente danneggiato. Tokt, che a volte appare come risultato sul dokosvan, forse anche un po 'dall'accordatura al preksvacha, ma è abbastanza per fare del male all'horat.
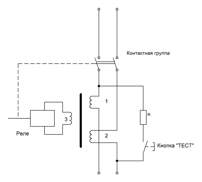
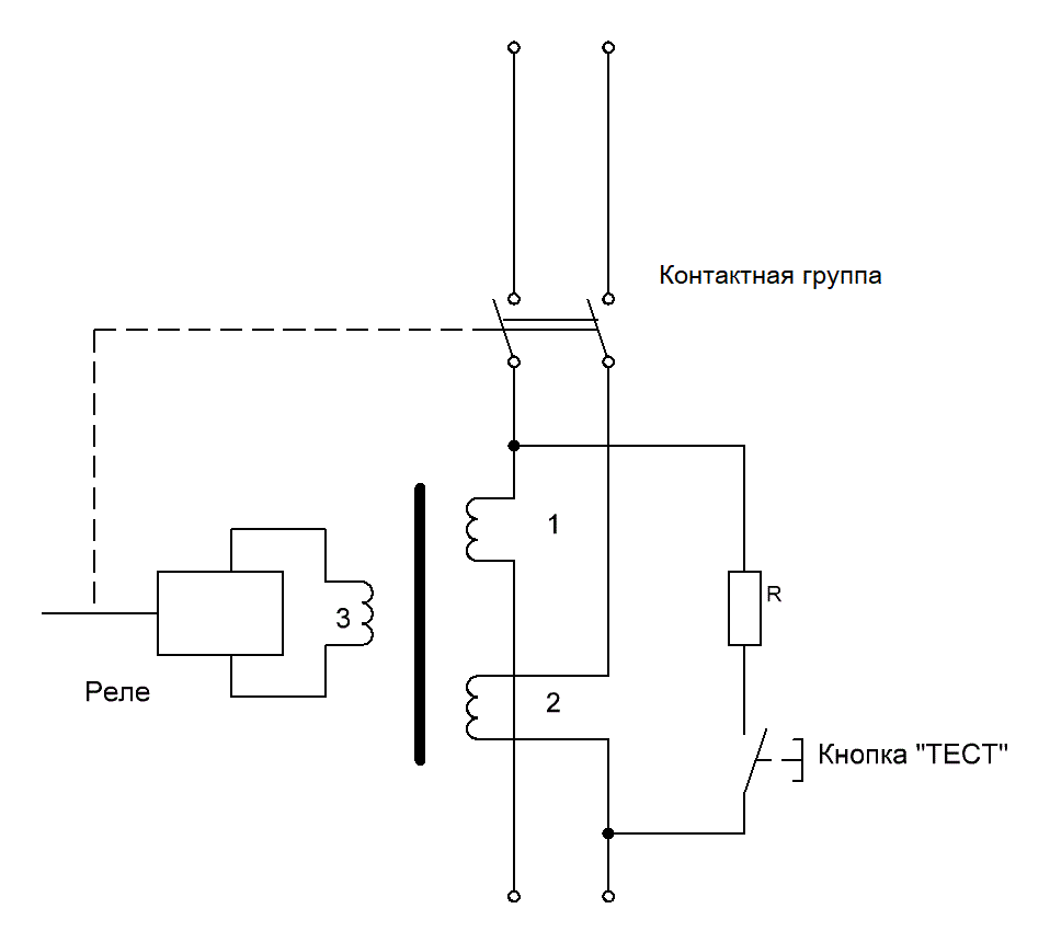
Tale precisione è possibile grazie al fatto che il dispositivo si basa su un trasformatore di corrente differenziale o un trasformatore di corrente a sequenza zero.
La Figura 1 mostra un componente su un dispositivo di sicurezza. Trasformatore differenziale ima tre avvolgimenti. Avvolgimento 1 e 2 con collegamento del kam disconnesso alla fase e conduttore zero Avvolgimento 3 - relè kam in discesa.
Il meccanismo Samiyat può essere:
- Elettronico.
- Elettromeccanico.
Dal proprio paese di origine, è collegato a un luogo di protezione dei contatti. La correttezza del dispositivo è determinata dal test del pulsante. È collegato in serie al resistore R. Il valore nominale del valore di resistenza di questo elettore, previsto per il valore di corrente, è pari alla corrente di dispersione.
Con il normale funzionamento, la corrente preminava la fase prez e il conduttore zero. Avvolgi gli avvolgimenti con le connessioni sui trasformatori 1 e 2. Nell'avvolgimento 3, il flusso magnetico è zero, quindi le correnti magnetiche sono opposte negli avvolgimenti 1 e 2, ma uguali tra loro, ma opposte.
In caso di danneggiamento dell'isolamento nella protezione, è spesso collegato al preavvolgimento 2, ma ora diventerà più piccolo, il preavvolgimento 1 viene interrotto (o viceversa). Tova significa che la potenza magnetica sull'avvolgimento è molto diversa. In risposta, è stata anche portata alla corrente della bobina di avvolgimento 3. Per quanto riguarda il valore dell'overhead, il valore del valore è impostato, sono esclusi anche l'impegno meccanico e il gruppo di contatto.
Quando si collega a conduttori di illuminazione senza RCD, è possibile che vengano effettuate scommesse, in alcuni casi non ha importanza. È possibile assemblare la scheda in modo così compatto utilizzando due moduli per guida DIN. Beni di tutti i predstavitelnosti, ottenuti tramite l'intermediario quando installati sull'RCD.
Alcuni corpi illuminanti sono dotati di corpi metallici. Povecheto che illumina il corpo è fottutamente stupido. Ci sono due tesi, a destra ho guardato, non particolarmente a causa di circostanze, possono e porteranno a lesioni elettriche.
Se viene posato sul palo dell'illuminazione, sussiste il rischio di incuria e danneggiamento dell'isolamento del conduttore. Tova e è del tutto sufficiente, per il gusto di farlo, appare il potenziale per il metallo della parte superiore del corpo. Ogni volta che scegli, prendi le ceneri da una lampada, ad esempio, da un candelabro, con un karpa bagnato, un uomo, probabilmente riceverai una scossa elettrica.
Un'altra situazione pericolosa deriva dal collegamento errato a un jarzhach su un corpo illuminante con base filettata. L'opzione e è sicura, quando il conduttore di fase non è collegato al contatto al centro sulla cassetta e il contatto del rezbat è nullo.
Inoltre, descrivi i casi in montagna, nello stomaco, ci sono altri problemi. Ad esempio, quando è stato schiacciato, la cotta di un uomo è bruciata incrollabilmente fino alla fine dal bordo dell'estremità alla cartuccia. Tova Chesto è un caso in una lampada con un paralume angusto. Ako termina la fine con un ruggito, immaginando la possibilità di uno sciopero in corso.
Il problema in questi casi può essere evitato installando sull'RCD per l'alleggerimento. Questo dispositivo è ancora meglio protetto elettricamente, quindi se allaghi l'appartamento al piano superiore o alcuni conduttori elettrici, nasconditi sotto il grasso e danneggia nel tempo per riparazioni non riuscite.
Conclusione
Contrariamente a quanto installato sull'RCD per l'illuminazione, non è collegato a documenti normativi per ambienti con elevata umidità, ad esempio bagni, docce, ecc., È prezioso per tutte le persone e le loro vite.
È inaccettabile, sì, è salutare!
L'impatto delle correnti potrebbe non essere divertente. Ogni volta che tokt preminava prez cheveshkoto tyalo, la traccia è nota al momento, ma potrebbe esserci un'insufficienza cardiaca.
Una delle conseguenze delle correnti è un colpo al sistema nervoso e danni agli organi interni. Takiva narananyaniyushchie scho può sì ce apparirà con il corso per un po '. Ci sono molte ragioni per il dolore e il trattamento neurologico, ma anche un investimento in tempo e scommesse, che è incomparabilmente superiore al prezzo dell'RCD.
PrecedenteAlleggerimento Come possiamo spezzare la catena per il controllo dell'alleggerimento, quindi da tre puntiProssimoChiarimentoRichiesta di illuminazione per locali e luoghi di lavoro

