Polyleyat con telecomando non è tutto compreso: qual è il motivo e come puoi risolverlo
Tanto più domakinski uredi per vari scopi sa apparecchiature con telecomando senza vita. I dispositivi di illuminazione non sono l'unica eccezione: polyley, applicazioni, dispositivi di illuminazione decorativa. Nel bacino ci sono altri esempi di riparazioni su poligoni remoti, che sono progettati e funzionano da diverse fonti alla luce.
contenimento: 1. Come eseguire il polylay con il telecomando 2. Istruzioni per la riparazione malta per malta
Come eseguire il polylay con il telecomando
Polyley con telecomando (RC) è costituito dai seguenti componenti principali:
- telaio;
- Fonte di luce;
- modulo radio;
- salva blocco (opzione).
"Pulnene" su polyley cinese con telecomando
Nella foto, i numeri mostrano:
- — caso su polyley;
- - deposito (autista);
- — modulo per telecomando;
- - dalla sorgente alla luce.
Kadar. Tova e samiyat polyley - base, paralumi, diffusori, riflettori, "tende" decorative, ecc.

Tialoto e tova, qualcosa che vediamo sotto tavana.
Fonti luminose. A seconda del design del pavimento, scegli una o più lampade di un tipo o di un altro (alogeno, LED, ecc.). Inoltre la lampada può essere suddivisa elettricamente in gruppi (solitamente fino a 4) con comando indipendente.

In tosi poliley con tre ramen lampite sa divise in 3 gruppi
Modulo per radiocomando... Uno dai componenti principali a tutti i poligoni con telecomando.Il compito del modulo è ricevere un segnale radio da un telecomando telecomandato e reagire ad esso in risposta: sì, accendere o spegnere uno o un altro gruppo di lampade e attivare un timer, ecc.

Modulo radiocomando tricanale con telecomando
Protetto. Chesto se narycha chauffeur. Tozi è entrato in questa installazione, che è un avvertimento e vede la corrente sulla lampada al momento dello stoccaggio, che è diversa dalla protezione provvisoria. Solitamente si rompono su un driver ed è uguale a una rottura su un gruppo di lampade (una per ogni gruppo).

Driver per la protezione di sorgenti LED per illuminazione
Il trasformatore elettronico Tozi non è adatto per lo stoccaggio di lampade alogene, ma non è adatto per lo stoccaggio di LED.
Schemi per poligoni con telecomando
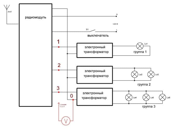
Razbrahme design, saltiamo alcune catene elettriche. Pensa all'opzione no-scusa, se usi lampade da 220 V, dividi in tre gruppi. Questo dispositivo di controllo remoto si basa sul modulo radio Feron a tre canali, l'immagine su alcuni è presentata di seguito.

Schema per polylay con tre gruppi di lampade 220 V e telecomando
Verigata, mostrata nel dolore, è un caso speciale. Tya varira a seconda della vista del modulo, della negatività del modello e dell'armatura sul canale.
Ako lampata dal crogiolo, progettato per varie tensioni, quindi in esso sa installare tre risposte di archiviazione. In questo caso il disegno viene realizzato sulla polilinea.

Schema per polylay con lampada alogena 12 V
E infine, il diagramma sul LED polylay. In qualche modo razbrahme, questo tipo di sorgente luminosa necessita di una protezione speciale, producendo in qualche modo una corrente stabilizzata.

Schema per LED polioli con tre gruppi di sorgenti per illuminazione e controllo remoto indietro kjm sdzharzhanieto ↑
Istruzioni per la riparazione malta per malta
E così, si riversano dal pannello di controllo non tutti. Qual è il motivo? Sono molto fuori tyah. Seppelliamone alcuni con perdona e forse no.
a distanza
Forse la batteria è addirittura scarica. Si prega di prestare attenzione al telecomando per i polyley cinesi che utilizzano una batteria da 23 A a 12 volt. Ako sono nuovo, cambia e controlla. Ako ima tester, misurare la tensione per l'installazione. Tryabva anche se non 10 V. Altrimenti, possiamo sicuramente cambiarlo. A questo punto, controlla lo stato del contatto nel vano batteria. Ossidato - pulito.

Nyama e lavora con un tale contatto (nella foto, Ima ha un telecomando con due elementi AA)
Risparmia sull'asta luminosa
Un altro motivo è incrociato, per il bene di alcuni, non verseranno tutto dal telecomando, ma proteggeranno la tensione. Controllo dello stato per stennia prevklyuchatel (ako ima taqv). Se è necessario, decotto, controlla le tue condizioni per il contatto e fendi per la connessione.

L'interruttore ovviamente non ha problemi
Stigame fino all'uscita sulla polilinea e controlla l'avviso sul morsetto dietro il collegamento alla lampada del morsetto e sul morsetto di ingresso sul modulo radio (vedi schema in montagna).

Clemenza per il collegamento al polyley tryabva si sa in perfette condizioni e si sotto pressione
Tra qualche tempo misurerò lo stoicismo per lo stress tov. Un po 'sottovalutata o sopravvalutata, l'elettronica togawa può entrare in difesa e un qualche tipo di radiazione poliley dori accenderà istantaneamente o spontaneamente il regime.
Potrebbero non essere più luminosi e per un migliore contatto nella scatola di distribuzione, al servizio del corpo illuminante. Questo è per questo, vai avanti e oscilla nella lampata, Ima ha capito e apri la kutia diluita e controlla le condizioni per un ingresso cablato in essa.

Forse bi polyleyat e è escluso per motivi di tazi.
Diagnostica e cambio sul relè radio
Passaggio successivo Sì, controlla il modulo radio. Pensa al modulo Feron, con qualche veche puoi riconoscerlo. Accendendo il multimetro in modalità sulla tensione misurata, il range non è inferiore a 300 V. Installata una sonda nella parte superiore del conduttore, sbiancata sul diagramma nella parte inferiore del cato "0". Dal secondo sond, svyarzvame successivamente ai punti "1", "2" e "3".

Schema per il controllo di un relè radio in un polylay con una lampada alogena
La traccia di qualsiasi attacco all'assalto è sul telecomando, che controlla il canale. Quando si spingeva contro la risposta, il bocciolo tremava a intermittenza e tutto appariva e scompariva nel punto (inclusione/esclusione sul gruppo). Se l'avviso non appare in tutti i punti o spesso dal canale, il modulo è danneggiato.
Come possiamo modificare un modulo non riuscito, da un'eccezione a un tipo esistente? Eleggiamo tosi, che mi dissuade dai seguenti criteri:
- Risparmia tensione... Questo è un tryabva e una risposta alla protezione della tensione sul vecchio (nel nostro caso 220 V).
- Canali Broy… Il nostro relè radio ha tre canali, ma se necessario, puoi utilizzare il dispositivo per canali più piccoli o più grandi. Nel primo caso è meglio provare a combinare due gruppi di lampade in uno, nel secondo non utilizzare un canale aggiuntivo.
- Potenza per canale... Il costo dell'energia per ogni canale è almeno del 20% in più rispetto al consumo di energia per un gruppo di lampade, protetto da esso o un driver per un gruppo tazi. In quale altro modo puoi combinare il canale, togawa generalizzare i diritti tecnici.
Puoi ordinare queste caratteristiche dalla marcatura sulla custodia al modulo radio o dalla documentazione amichevole. Ad esempio, un modulo radio, parte dell'immagine è mostrata in basso, è a tre canali. Protetto da 200-240 V CA e 1 kW di potenza per canale.

Modulo radio per Electrostandart
Controllo e modifica in sicuro
Continuiamo a riparare i polyley dal pannello di controllo e salviamo lo spazio di archiviazione. Andiamo avanti con i trasformatori elettronici. Assicurandoti che ha salvato la tensione sui terminali di ingresso, che avrebbe attivato il canale di risposta sul modulo radio. Ora misura la tensione (riducila!) All'uscita del trasformatore. Prova abva e rispondi alla posochenata sul corpo sullo strumento. Ad esempio, all'uscita del trasformatore elettronico, c'è un'immagine sotto, la tensione trema e anche all'interno del telaio a 11,5-12,2 V.

Trasformatore elettronico con tensione di ingresso 12 V
Se non c'è tensione, il trasformatore è danneggiato o è caduto nella protezione a causa di uno scivolamento della merce. Controllando la correttezza sulla lampada dal gruppo di risposta e agglutinandola, proteggendola in qualche modo. Per la foresta, sì, invia il prodotto al tester, spegni prima il corpo illuminante e spegni l'uscita al trasformatore elettronico dal gruppo di lampade sbagliato. Ako lampite e kabelevaneto sa nared, quindi il trasformatore elettronico è difettoso. Nessun cambiamento, per scegliere una controversia adatta, seguire le caratteristiche:
- Risparmia tensione... Un po 'difettoso.
- Tensione iniziale... Un po 'difettoso.
- Potenza in ingresso (corrente). Po-golyama o uguale al potere senza successo.
Ora diamo un'occhiata al driver LED. In qualche modo, nel caso di un trasformatore, puoi essere certo che i terminali di ingresso memorizzeranno la tensione. Controllare il dispositivo per una misurazione della tensione costante e controllare la resistenza della tensione sul terminale di uscita. Quel trebva è persino al confine, colpendo gli scafi sul dispositivo.

Uscire dai terminali sul driver tosi e mantenere la tensione costante da 30-90V
Se la tensione originale è bassa o meno, il driver può essere considerato difettoso.Elezione nuovi seguenti criteri:
- Risparmia tensione... Un po 'difettoso.
- Tensione iniziale... La sottocurva è chiusa o la distanza è vicina a cato difettoso.
- Corrente fuori. Syshchiyat kato tosi in caso di fallimento.
Se c'è un avvertimento, e si sta avvicinando al valore massimo dell'intervallo, a seconda del peso del dispositivo, allora, molto probabilmente, uno o più LED del gruppo, alcuni in consegna, sono difettosi. Come intendi e sostituisci il LED difettoso nel poli, puoi insegnare dallo stato "Come riparare tutti i LED polyls».
Razbrahme nei panni di se stessi e ripara Polyley per il controllo remoto. Ora, senza alcun aiuto, possiamo determinare se gli urti nel corpo illuminante non brillano e permetterci di superare i malfunzionamenti.
