Come sfruttare la pancia su lampat con fiasco caldo e come aumentarla
Contrariamente al fatto che le lampade classiche di un pallone illuminato sono state sostituite con successo da una fonte più efficiente a una luminosa, sono ancora piuttosto popolari. Tezi che illumina il corpo sa perdonare il design kato, evtini e vrshat fanno bene con la propria funzione. Potrebbe essere l'unica mancanza di lampat con una calda pancia da sfruttamento zhichka e neiniyat. Ce ne sono molti piccoli, ma Ima inizia molto e prende molta pancia sul krushkat su Ilich e ora riconoscerai alcuni dei metodi dallo stesso.
contenimento: 1. Come funziona la lampata 2. Causare danni alla lampada con un hot bug 3. Top 5 inizio per allungamento a pancia in giù sulla lampata con spinta sulla schiena 4. Come possiamo far fronte alle correnti che soffiano
Come funziona la lampata
Prima di vederlo, avrai problemi con uno stomaco corto, tryabva e capirai come immaginare una lampada da uno zhichka acceso e come lavorare.
Strutturalmente, il dispositivo è costituito da una coppa di vetro sigillata, in cui sono saldati due elettrodi. L'elettrodo è collegato al nome di un tale operaio: una nicchia di tungsteno, avvolta a spirale. C'è una base con un design diverso attaccata alla stessa lampadina e, con l'aiuto di una lampada, ad essa è collegata una lampada.

Disegno lampata
Quando si inserisce il design sull'interruttore elettrico, verrà espulso dalla pompa dall'interruttore, quindi l'avvolgimento è caldo e non si ossida. In un campo nella foresta, sì, dirigilo: versa un kolbat con gas inerte. Di solito una miscela di azoto e argon.
Il binario è collegato a una lampada, avvolta sotto l'influenza di una corrente elettrica, riscaldando fino a 2000 gradi Celsius e il suolo e brillando, e il gas inerte ne impedisce l'ossidazione e la combustione sul tungsteno. La temperatura sulla bobina è takawa, che, da un paese, la lampata ima nai-visoka è leggera in termini di efficienza, da un altro paese, è neiniyat lo sfruttamento dello stomaco è sufficiente per molto tempo (kolkoto è alta temperatura, è ragionevole in un barzo se dal wolframt dall'avvolgimento).
Causare danni alla lampada con un hot bug
Dnes media la pancia su una lampada con un liquido caldo per circa 1000 ore. Tova non è molto per un dispositivo elettronico. Probabilmente Osventov è sbiancato più di tanti dories rotti elettricamente che non fanno il periodo tosy. Come si fa a infliggere per un buon stomaco corto? Ecco la base di tyah:
- Inizio difficile.
In qualche modo conosci dalle scuole un corso di fisica, quando il conduttore è caldo, la resistenza aumenta e quando si raffredda, viene dipinto. Per una torcia elettrica, la legge è molto problematica, perché la resistenza al freddo della spirale è 125 bassa rispetto al calore. Tova significa che nel momento in cui il dispositivo è acceso, si sta esaurendo, funzionando da 12 a cinque (ricorda la legge per Ohm: I \u003d U / R)! Tozi è l'effetto di un colpo di sequenza di corrente e di un normale interruttore, che è avvitato in un vetro o in una lampada da tavolo, nessuna protezione lo taglierà.
Sigourno ste ha cominciato a sbiancare, che le boccette elettriche si sarebbero bruciate la maggior parte del tempo, quando lo accendi. Tova se sluchva proprio perché è difficile per loro iniziare.
- Aumentare per proteggere la tensione.
Con un aumento della protezione della temperatura sull'avvolgimento, è powishava, il che significa che sta fumando in modo barzo - ai bordi sui bordi dello spostamento dell'azoto-argon del presidio di tungsteno stesso dall'ossidazione. Di conseguenza, lo sfruttamento tova dello stomaco sull'avvolgimento preriscaldato del pentagramma in un breve tratto, ty kato cha stava in un tanka in un barzo. In un dato momento (di solito con la prossima svolta), la spirale non costa il colpo attuale e si esaurisce. Quanto è importante proteggere la tensione? Ne sei già fuori, ma se aumenti la protezione della tensione stessa dal 6% (del valore nominale di 220, sono 10-12 volt), allora faranno la media della pancia sulla lampada con il liquido pressurizzato, loro ne ho già la metà! - Urti e vibrazioni.
Ci sono molti problemi per il trasporto di dispositivi e dispositivi di illuminazione che funzionano a spese dei mezzi. La samata della spirale e non ne ha avuto abbastanza di una crepa e, dopodiché, si è letteralmente riscaldata fino al toplin, il wolframio, in qualche modo tutto l'altro metallo, ha rovinato la salute meccanica dei fratelli. Basta stendere una lampada ben posizionata o un naso, perché sì, sentiti come una cucciolata di zhichka e ferma improvvisamente la pancia sull'ureda. Il progettista risolve il problema di aumentare la pancia operativa riducendo la lunghezza dalla spirale e aumentando la broya dalla pienezza. Ma va bene che tu usi speciali dispositivi di illuminazione, come le automobili, acquista "appartamenti" che si schiantano praticamente senza protezione dalla tua sfortuna. - Malfunzionamento del dispositivo di illuminazione.
Per proteggere i conduttori, la cartuccia o l'interruttore e avere un cattivo contatto, allora il dispositivo di illuminazione è costantemente impostato sul ponticello di tensione e quindi sull'incontro di corrente. In questo caso è possibile calcolare il tempo di servizio, misurato dal produttore in poche ore. - Qualità Losho.
Tova se otnasya alla qualità della produzione del dispositivo. Contrariamente al design relativamente semplice, l'interruttore elettrico è un dispositivo tecnologicamente complesso che non può essere diretto sul ginocchio. A dispetto del compagno, alcuni maistori (simpatici e socha con i fratelli giusti dalla Cina, non lavorano più spesso dall'altro, e infine dori un po') riusciranno e li dirigeranno dal basso del dispositivo, che sembrano nel modo giusto i lavoratori e non è chiaro per quale attrezzatura. La pancia operativa media è un tale dispositivo per 3-4 accensioni.
Top 5 inizio per allungamento a pancia in giù sulla lampata con spinta sulla schiena
Come possiamo far fronte a tutti i fastidiosi problemi e aumentare la pancia con uno scricchiolio? No, importante da tyah e vero shock, ty kato tuk izgljada nischo non dipende da noi. Lasciamo lo starter per ultimo, ma fermiamoci prima del punto.
- Protezione da sovratensioneL'industria produce spine elettriche per vari tipi di voltaggio, tanti problemi si risolvono scegliendo il dispositivo giusto. Il nostro standard comune è: 215-235 V, 220-230 V e 230-240 V. Puoi misurarlo tu stesso o chiedere a un elettricista di aiutarti a misurare la tensione nei contatti del tuo appartamento. Tova tryabva e ora governa un po' la giornata: sutri, sledbed e sera. La tensione massima, qualcos'altro che mostrerà il tester, è la tensione nel tuo appartamento. È per il tazi di resistenza che tryabva ed è il numero di krushkite, che sono cupuvate. Di solito la circonferenza per la tensione operativa è collegata alla base o il morsetto al dispositivo. Puoi, risolverlo, ma suona il sigurno e prendi le nocche con alta tensione.
- Urti e vibrazioniI problemi di Tozi possono essere risolti, ma solo se non hai un dispositivo di illuminazione acceso.Se è necessario prestare particolare attenzione al lavoro, utilizzare spilli a bassa tensione: quelli imat sono come una spirale. Ideale per allungare la pancia sul naso: strisciare su incidenti speciali, come incidenti automobilistici.
- Malfunzionamento sulla rete di illuminazioneAko alleggerisci, uno e mangiando una lampada bruciata in un versamento a più pistoni, presterai particolare attenzione alla correttezza della lampata. La perdita di un contatto in un contatto o in un conduttore può causare un salto di tensione, provocando una sorta di shock con corrente continua, bruciando il circuito. Importante anche per gli interruttori multisezione. Se si accende da una sezione nel poliuretano ed è pancia operativa sospettosamente bassa, pulire e fissare il contatto sull'interruttore.
Come possiamo far fronte alle correnti che soffiano
E ora ne prenderemo in prestito alcuni dai problemi principali, che lasciamo per l'ultimo shock attuale quando accesi. in qualche modo veche kazako, lampade convenzionali con un pulsante caldo Quelli non sono una protezione dai beni senza motivo Costruisci su una lampada stignach fino a quando non accetti la pancia sulla fonte di luce e lascia tutto così. Nel frattempo, con la corrente sull'interruttore, possiamo farlo con successo. Come puoi tenere la pancia su una lampada con una fiaschetta calda, che, secondo le sue caratteristiche progettuali, non è pronta per un lavoro a lungo termine? Pensa ai metodi di base e a come affrontare il tag di avvio, che taglia la pancia alla cotta. Tra tyah:
- Dipingi sulla protezione della tensione.
- Riscaldare leggermente la spiralata.
Qualunque cosa, dall'optare per un aumento della pancia di sfruttamento a un dispositivo con una cimice pressurizzata e le tue prerogative e mancanze, ma hai anche diritto alla pancia.
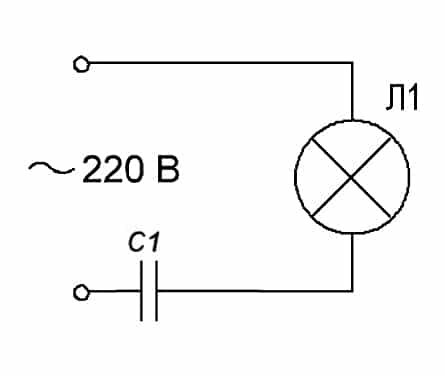
- Aumentare la pancia da sfruttamento abbassando la tensioneSig sigurnost sa quale corrente cambierà la polarità di si: il primo flusso in una linfa, il successivo in un'altra. Innanzitutto, nel nido sulla fase, il conduttore è relativamente zero positivo e la traccia è negativa, e così via 50 cinque al secondo Ora, per qualche ragione, possiamo vedere un singolo diodo - un dispositivo a semiconduttore, qualcosa che puoi imparare da una palestra. La proprietà principale è e, perché il conduttore stesso è un davanzale. Qual è il caso, come accendere il diodo in serie con l'interruttore? Assolutamente vero e - sulla lampada, il diodo è collegato, è circa la metà della tensione effettiva e in un altro modo è possibile modificare la corrente modificando la corrente. Tova significa che nel momento in cui si accende la corrente della spirale, la lampada è ancora più bassa, qualcosa di molto più estende la pancia di sfruttamento al dispositivo di illuminazione. Ed ecco una soluzione schematica al problema:

Udzhavane pancia su una spazzatura elettrica con un diodo
La potenza di Ako sulla lampada non è sopraffatta da 100 W, togawa kato D1 può essere utilizzata da quasi tutti i diodi, progettata per tensione inversa da almeno 400 V e corrente corretta da almeno 0,8 A. La lampada Ako non è potente o debole, togava predniyat corrente sul diodo trebva sì bjde proporzionalmente aumentata o piccola.
Puoi racchiudere il diodo stesso nel cavo quasi ovunque: nel dispositivo di illuminazione, nell'interruttore. Oppure puoi semplicemente accendere il diodo nel circuito sul conduttore, che salva la lampada. In questo caso non c'è bisogno di accendere il “più” e il “meno” sul semiconduttore, la polarità dell'interruttore sul diodo non è più importante e non influenza più la pancia sulla lampada.
È semplice e dall'aspetto corretto, è l'ideale per iniziare a usarlo sulla pancia da sfruttamento, ma presenta uno svantaggio significativo.Ty kato diodat è sfilacciato a metà strada dalla tensione intermedia, l'onestà (tensione) non è dipinta a metà. Tova non porta di per sé ad un aumento dello stomaco su una lampada samata, ma anche a molto treptene su una luce intensa. Tale è il dipinto sulla qualità, sullo schiarimento, è sgradevole per gli occhi e dannoso per un uso prolungato. Pertanto, l'opzione per aumentare la pancia da lavoro sul fornello con l'ausilio di un diodo è adatta alla fonte di luce pronta, soprattutto per l'illuminazione con l'ausilio dei locali e del cimitero, a khorata se amirat in breve tempo.
Per qualche ragione, spostiamo il treptenet al lampat, che nel tempo salviamo la pancia dello sfruttamento è indispensabile. Per compagno, uso la proprietà per cambiare la corrente. Alcuni accendono il condensatore invece del diodo.

Udlzhavane sulla pancia su una lampada con un condensatore di zavorra
Il condensatore kato è costoso per cambiare la corrente, la tensione è leggermente inferiore a quella. Di conseguenza, su tov krushkata, in qualche modo nel caso di un diodo, brilla ancora quando si riscalda. Ma questo kato capacitatet non è solo una semionda a uno stop dalla tensione mutevole, ma limitando la corrente nei due legni, la lampada è intorpidita e in frantumi. Il ventre negoviyat eksploatatsionen sarà shchiyat kato all'inclusione sul diodo. Quindi decidi e piega il circuito, quindi prendine uno più traballante e prendi un condensatore charter con una tensione di lavoro di almeno 400 V e una capacità da 2 a 10 μF. In questo caso, un colpo alla tempia è capace, è sensibile a brillare più luminoso lampata e sensibile in modo inferiore a sfruttare lo stomaco.
Ima e un altro metodo, consentendo di risparmiare tensione, senza e aumentare la pulsazione e aumentare significativamente la vita operativa del dispositivo di illuminazione.Per sì, spedisci la merce, è sufficiente e sì, accendi in serie 2 nocche con la stessa potenza.

Dolzhavane sullo stomaco sulla lampada attraverso successivamente legato a loro
In questo caso la tensione tra le lampade è ancora divisa per metà e comunque ottieni 110 V. Capisci tutto, riprova e sorseggia dall'acquisto alla seconda lampada, ma quelli sono uguali e l'aumento di la pancia operativa è così nell'illuminatore, il più delle volte, vai via.
Questi sono due metodi per aumentare il tempo per la manutenzione sa nai-scusa, ma, vedi, non sa nai-kind. E nel secondo caso di funzionamento della lampada, viene assorbita la tensione. Tova, vedi, aumentando lo sfruttamento dello stomaco, ma influenzando in modo significativo non la qualità stessa, cioè il chiarimento, ma anche l'efficienza energetica della sorgente luminosa. In qualche modo kazako, la temperatura ottimale per il riscaldamento su una nicchia di tungsteno, con una certa efficienza su una lampada e è massima, e 2000 gradi Celsius. Ma a volte l'avviso è quasi la metà, la potenza della luce sulla sorgente luminosa è ancora 4 cinque!
- Inizio di Oshiguryawame "mek".
Questa è la modalità più difficile per una singola lampada, che dipinge in modo significativo parte del tempo durante la manutenzione, nel momento in cui viene accesa, non è sempre necessaria e la tengo sotto pressione. Sufficientemente, basta aumentare la durata del calore sulla spirale. In normali condizioni di lampada, si riscalda in millisecondi. Ma se aumenti il \u200b\u200btempo a un secondo, limitando temporaneamente la corrente di avvolgimento, il problema con l'aumento del tempo per una manutenzione senza problemi dell'illuminazione è ancora risolto.
Una delle migliori opzioni per aumentare il tempo di lavoro è sì, accendere il termistore in serie con il carter.Le caratteristiche del dispositivo del prodotto sono una forte dipendenza dalla resistenza elettrica dalla temperatura dell'alloggiamento. Esistono due tipi di termistori: termistori PTC e NTC (temperatura coefficiente di resistenza). Con l'aumento della temperatura, la resistenza aumenta del primo tipo e la resistenza diminuisce del secondo. Pensiero, che veche afferra un'idea.
Se metti un dispositivo con un TCS negativo in serie con la lampada, al momento non è pronto per l'accensione, la resistenza è alta e la corrente della lampada è molto limitata. Il tuo kato bobinata ce riscaldamento con corrente che scorre, samiyat termistore ce riscaldamento. La resistenza a questa caduta e la traccia è nota al momento di diventare minima. La spirale di Tova funziona per una corrente limitata prez lampata, a volte si sporcava allo stesso tempo. Lo schema per un'applicazione pratica a questo metodo è estremamente semplice e posso prendere quasi tutto:

Ulzhavane sull'addome su una lampada con un termistore
Non è difficile trovare un tale termistore, ma è ampiamente utilizzato in quasi tutti i televisori domestici da 2-5 generazioni per la sistematizzazione per la smagnetizzazione e l'ottenimento di evtin. L'effetto di tale miglioramento non è scontato: un aumento significativo della vita operativa sul corpo illuminante senza contribuire ad un'altra caratteristica (rendimento e potenza luminosa).
Verigata per lo stretching sullo stomaco sulla lampata è perfetto, ma qual è il trucco? Il fatto è che in tempo perché il termistore funzioni, si riscalda fino a 60-70 gradi Celsius. Veche non riesce nemmeno a mettere una chiave o una base di plastica sul pavimento. L'unico luogo possibile per l'installazione nell'area è basato su lampata, che è in qualche modo confortevole ed esteticamente gradevole. E, risolvendolo, l'elettricità viene costantemente consumata per il riscaldamento.
Riscaldiamo il termistore con una potenza della lampada di 75 W, circa 2,5 V. Per la foresta, calcoliamo la potenza consumata dal resistore, più sui watt. Non è ragionevole golyamo previshavanes, un tale schema può essere considerato economicamente conveniente.
Ima e complicare gli schemi per un inizio mek, che aumenterà la pancia sulla cotta. Ma la ripetizione proviene dalla conoscenza della conoscenza dell'elettronica, come che nyama e gi razgljadam qui. In questo progetto, l'elemento di controllo del catodo viene utilizzato per dispositivi a semiconduttore: tiristori o transistor.
Ako generalmente non cerca e prendi un poyanik, togawa puoi e usa la soluzione pronta. Ad esempio, un dimero con un se-kopche attorcigliato o uno speciale dispositivo di protezione (questi, utilizzati per le lampade alogene, sono adatti per quelle ordinarie), che possono essere utilizzati in qualsiasi negozio specializzato. Quelli non sono saevtiny, ma pagano di più con il tempo, gli animali ty cato sul krushki sche aumentano in modo significativo. Qualsiasi elettricista può installare un dispositivo acquistato. Puoi persino inviarlo da solo, ma sai come viene utilizzato il cacciavite e come è l'indicatore di tensione (indicatore).

Un dimero con un inizio mek (ad alta voce) e un blocco da un inizio "mek" su una lampada con un jig pressabile aumenterà significativamente lo stomaco sulla luce del corpo da un jig con un jig
Ora sai per certo che bruceranno il fuoco del fornello e, se lo desideri, puoi prolungare in modo significativo lo sfruttamento del loro stomaco con un minimo di dispersione.
PredishnaPressato Zhichka Com'è il flusso di luce sulla lampada dal pressabile Zhichka