Come possiamo dirigere l'infracherveno fenerche? Pregled sul modello
Piccola storia. Evoluzione sullo sviluppo del suolo di Fener nei tempi antichi. Inizialmente, le torce venivano battute dal gattonare per l'illuminazione su uno stormo oscuro. La traccia è nota al tempo della schiena e dell'uso di candele, una lampada a cherosene, una lampada leggera, una lampada da una lettiera accesa. Dall'avvento delle batterie a secco, byaha ha sviluppato una maniglia fenerchet con vari design. Vsichki tezi illuminatori izlchvakha luce visibile.
contenimento: 1. Utilizzo su infracherveni lightline per videosorveglianza 2. Caratteristiche principali 3. Altre aree per applicazione 4. Come puoi dirigerti 5. Pregled su modelli popolari
Costantemente migliorato sulla tecnologia nella tecnologia elettronica portata al punto da poter essere illuminata sull'oggetto (oggetto) dalla luce infrarossa, invisibile dietro l'occhio umano, ma visibile dal sensore sul dispositivo di notte. Tova vi permette e nasconde agli altri l'osservazione dei desideri dell'oggetto al buio o con una debole luce naturale. Nella FIG. 1 che mostra la circonferenza sullo spettro sulla crosta, tagliata dall'ardesia.

Oriz. 1. Lo spettro solare è isolato
Per sì, raccogli la visibilità sull'oggetto, sensore NVG utilizzando una finestra a infrarossi o un riflettore. La vista dell'infrachervenoto fenerche non si distingue molto dall'ordinario. C'è di più da vedere nella sorgente, nella luce, nell'illuminatore. Quindi, in un tipico LED, usano, che emette luce visibile, e la larghezza della luce (λ) è compresa tra 0,4 e 0,7 micrometri e nell'IR dell'illuminatore λ \u003d 0,7–1 µm.
Utilizzo su infracherveni lightline per videosorveglianza
Prova e guarda cosa migliorano sull'immagine (amplificano sull'immagine) sulla fotocamera, è molto più semplice dalla nostra vista. Quella reazione stessa al silat al riflesso della luce dall'oggetto. Ako nyama svetlina, che significa nyama e immagine… Per ottenere un'immagine, è necessario determinare il campo di illuminazione per osservare un oggetto. Tempo la lampada per la forza sull'immagine, è visibile e visibile solo a illuminamento da 0,0005 lux. Nella FIG. 2 immagini mostrate con e senza illuminazione a infrarossi (per confronto).

Oriz. 2. Immagini senza schiarimento e con schiarimento IR
Prez day iztochnikt on svetlin e slantseto, chiyato svetlina sdarzha celiya noto spettro di castità. Al buio, la videosorveglianza è l'arte dell'illuminazione con luce visibile o invisibile. Dall'illuminazione visibile, non è chiaro, per nascondersi, viene utilizzata la linea di luce a infrarossi. L'illuminazione IR è dovuta principalmente all'ingresso dal dispositivo durante la notte. Questi includono:
- monoculare,
- ochila per la notte vizhdane (NV),
- binocolo HB,
- fascino HB,
- monoculare a doppio canale,
- combinazione e dispositivi speciali.
Nella FIG. 3 mostra una sezione del cannocchiale per visione notturna con l'indicazione delle parti ripiegate.

Oriz. 3. Incisione monoculare per visione notturna indietro kjm sdzharzhanieto ↑
Caratteristiche principali
Considera le specifiche tecniche per l'illuminazione IR:
- lunghezza per lunghezza (λ),
- tipo di emettitore,
- riflettore (riflettore),
- potere in uscita,
- brutta sul bordo,
- circonferenza di lavoro,
- modalità,
- magazzinaggio,
- guarda i lavoratori,
- temperatura di esercizio,
- zakopchavane,
- misurare,
- Materiale,
- fioritura,
- teglotto.
Nella FIG. 4 ca indicazioni delle parti principali della telecamera per la videosorveglianza con illuminazione ad infrarossi.

Oriz. 4. Telecamera di sorveglianza con illuminazione IR
Per il lavoro promettente di questo compito, la gamma iniziale per lo spettro infra-ciliegie, cioè la traccia dei vermi per le cicatrici, fiorisce. Nyama bordo chiaro. Seleziona 4 bande:
- 730-750nm,
- 830-850 nm
- 870-880nm,
- 930-950nm.
Questa sorgente si basa su LED a infrarossi e diodi laser a infrarossi. La luce LED emette uno spettro dalla castità, cioè emette una radiazione meco e la luce laser emette una radiazione dura. Offriamo tutti gli emettitori laser con un sistema ottico di terze parti. Gli emettitori Takiva formano un raggio angusto.
Riflettore e che disegna e forma un fascio di luce. La dimensione geometrica e è un triangolo isoscele con un vertice alla sorgente della luce. Ъglt su decotto e è determinato da 0,5 dal resto. Il gl medio sul decotto è di 40-80 gradi (gl). È importante capire che, con un aumento della distanza sull'impasto, la distanza per la chiarificazione dello sfondo del dipinto e la potenza del riflettore è determinata principalmente non dalla circonferenza, ma dall'area per l'illuminazione. Nella FIG. 5 che mostra diversi tipi di linee luminose.

Oriz. 5. Linea luminosa IR per videosorveglianza
Quando si copiano i modelli, vengono adattati alle aree chiare. Il riflettore può essere in metallo o plastica e soddisfare la resistenza al calore richiesta. I diodi a infrarossi si riscaldano in tempo per il lavoro. Kolkoto in un potere golyama e tyahnata, sensibile più riscaldamento. La superficie del riflettore è ruvida o liscia. Pre-riflettore e bream, qualche pre-riflettore e diodo infrarosso dall'ambiente circostante. Prodotto in vetro o plastica.
La potenza del trasduttore variava da milivat a una dozzina di watt.
Possibilità di opzioni per il funzionamento della casella di controllo nell'elemento "mode". Ad esempio, quando chiarisci il tipo "camaleonte", puoi seguire le opzioni:
- stroboscopico;
- faro;
- SOS;
- controllo sull'emissione: alta, media, bassa, minima;
- a distanza.
Utilizza tutti i diversi tipi di dispositivi per il fissaggio su dispositivi IR fenercam per la visione notturna. Puoi passare facilmente dal sam relsite al Weaver e al Picatinny, adattatori da ¼ per la presa per il supporto, casco o corde per la testa, il montaggio per le armi leggere è universale. Ci sono più differenze tra le schede nella larghezza degli slot. Nastro su Weaver ima = 0.180″ e relsata Picatinny = 0.206″, e tra il centro è 0.394″ e lungo è 0.118″.
Km tyaloto se imporrà un controllo rigoroso. Si tryabva sì bjde leka, resistente agli urti, impermeabile. Spese per un rollback su una pistola. Realizzato principalmente in lega di alluminio anodizzato di alta qualità, che funziona in condizioni meteorologiche.
Vantaggi e svantaggi
Le offerte includono:
- Il trattamento IR non è sicuro per l'ambiente freddo e vicino.
- Osiguryava è incredibilmente illuminato per proteggere l'oggetto.
- Utilizzato per l'illuminazione esterna, regolando la qualità dell'immagine. Forse mettilo in qualsiasi posto conveniente. Risoluzione dei problemi con l'illuminazione graduata. Sì, puoi scegliere il giusto ygl sull'illuminazione, ma puoi scegliere un dispositivo diviso per potenza, circonferenza e copertura.
Attivare insufficientemente l'immagine di questo o quello quando si riceve in bianco e nero su una telecamera a colori... Gli oggetti lisci (zero o fiumi di superficie, bagliore della visione, spalla o carezza della battaglia, inquadratura, luminosità sullo sfondo) riflettono raggi infra-neri e creano un loop dall'aria nell'immagine. Polvere, pioggia, nebbia, insetti volanti e punture ostacolano l'immagine video.
Altre aree per applicazione
Oltre alla fenercetate e alla proiettoreite, la luce infrachervenata da dietro le telecamere quando vi è illuminazione insufficiente nei locali; kasa, ufficio, banca, magazzino, keeler. Alcune luci di emergenza per la videosorveglianza, a volte non necessarie e richiamano l'attenzione sull'oggetto. Kogato svetlinata non tryabva e rivolgersi a horata in kinata, teatro, passare la notte al club, parcheggio e pishishata (non ciecamente shofyorite).
Infrachervenata Svetlina ha strisciato ampiamente nelle seguenti aree:
- medicina (aggiustamento del metabolismo, premahwa, eccesso di maznini, aggiunta di energia propulsiva, ecc.);
- bestiame;
- termocamera;
- equipaggiamento militare (posizione del sistema, posizione);
- industria elettronica (telecontrollo, comunicazione ottica);
- riscaldamento degli ambienti;
- industria di stoccaggio (essiccazione su verdure, frutta);
- astronomia;
- meteorologia (misurata per la temperatura sugli oggetti);
- Ricerca scientifica.
Come puoi dirigerti
Se lo desideri, puoi inviare la tua illuminazione IR con il tuo sistema per la videosorveglianza. Sì, manda un compagno, tryabva, sai, basato sull'ingegneria elettrica, il principio del funzionamento su apparecchiature elettroniche e la capacità di lavorare nella pratica. Nay-lesniyat inizia ed elabora i preparativi. Fendinebbia LEDpassare alla luce visibile e cambiare l'emettitore da LED a infrarossi o diodo laser. Nel frattempo, non prenderla meglio se usi il diodo laser per luoghi aperti (se necessario, per illuminare a grande distanza) e il normale LED è nella chiusura dello spazio. Nella FIG. 6 che mostra un set di videosorveglianza per una villa o un ufficio.

Oriz. 6. Set di apparecchiature per la videosorveglianza
Proteggere il sistema per la videosorveglianza, determinare in quale zona si trova la turbolenza e dove viene osservata, dove e posizionare le videocamere e, se necessario, l'illuminazione IR esterna (inviare un piano approssimativo). Ad esempio: videocamere - broy, vista. Videoregistratore - 1 pz. Proteggi, retroilluminazione - quantità, modello. Prendi il kit che ti serve dal negozio. Successivamente, montare il kit a terra.
Non tutto è sbagliato con IR, luce negli occhi - forse bruciare la cornea negli occhi. Ako yama abbastanza chiarimenti, puoi aggiungere un piccolo diodo a infrarossi.
Per sì, nagryavaneto l'emettitore e il consumo di energia, tutto a causa della tensione impulsiva con un ciclo di lavoro regolabile, cioè il diodo lampeggia. Il rapporto viene temporaneamente attivato e disattivato sul LED in tutti i casi da un livello alto ed è invisibile all'occhio. Nella FIG. 7 Visualizzare la tensione di uscita per i LED pulsati.

Oriz. 7. Diagrammi per la regolazione della tensione dal 10% al 90%
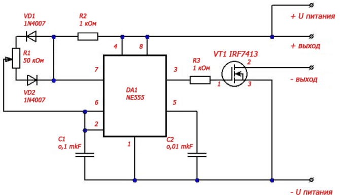
In questo modo il blocco è protetto, che è una delle opzioni, il tutto utilizzando un circuito basato su un timer ne555 integrato con un potente transistor.
Nella FIG. La Figura 8e mostra un diagramma schematico di un blocco a impulsi con tensione di retroilluminazione.

Oriz. 8. Schema per l'archiviazione regolata su LED con retroilluminazione
Verigata può essere sloben su una finta sciarpa. Potrebbe essere acquistato contemporaneamente con le parti radio necessarie in tutti i negozi dietro la radio.
Il circuito integrato NE555 è controllato da un generatore di impulsi. Prima che sia pronto per il funzionamento, è necessario impostare la modalità per funzionare con l'aiuto della parte esterna. Viene mostrata una catena di design e lavoro da una fonte di +12 volt. Gli elementi C1, R1, R2 imposteranno la modalità di retroilluminazione.Dall'uscita 3, ciò impedendo al limitatore R3 di memorizzare il tasto T1 (transistor ad effetto di campo). Quel premahwa natovarvaneto dall'interruttore 3. L'alimentazione per la retroilluminazione viene selezionata scegliendo il tipo VT1. La potenza sul resistore è di 0,125 watt. Cambia R1 scambia la frequenza con la tensione dell'impulso iniziale. Quando immagazzinato impulsivamente, il diodo fornisce più potenza luminosa, che viene interrotta quando immagazzinato con una tensione costante. La luce sul diodo può essere controllata con una fotocamera su un telefono cellulare o una fotocamera. C'è ancora luce sullo schermo.
Importante. Quando si sceglie un tryabva e questo, è previsto che il dispositivo per l'illuminazione a infrarossi e il vizhdanye notturno tryabva e funzioni in una gamma onesta.
Pregled su modelli popolari
Nella produzione di lampade e lampade a infrarossi, sono occupati i seguenti marchi commerciali:
- COME È,
- tendenze tecnologiche,
- kkmoon,
- EFOSE,
- Gadinan,
- fuoco unico,
- accorto.
Producono riflessi diversi per ogni colore e gusto.
Modello AZISHN CCTV LEDS, selezionare alcune specifiche:
- λ = 850 nm;
- Diodo IR 48IR - 4 br.;
- esteso;
- impermeabile;
- per la telecamera di videosorveglianza.

Oriz. 9. AZISHN CCTV IR schiarimento
Proiettore KKMOON DC 12V, 12W, specifiche negoziabili:
- LED (96 luci) - 850 nm;
- circonferenza - da 10 a 60 m;
- esecuzione - IP65 (aperto, impermeabile).

Oriz. 10. Illuminatore IR KKMOON con 96 diodi IR
BEWARD - LIR6
- esecuzione - esternamente;
- Led IR di terza generazione;
- ygl su illuminazione fino a 75°;
- circonferenza fino a 120 m, λ = 850 nm;
- abilitato / disabilitato - automaticamente.

Fico. 11. Schiarimento IR BEWARD LIR6
Questo dispositivo è adatto per controllo accessi e citofono.Pannello di estensione IP Hikvision DS-KV8102-IM con illuminazione a infrarossi, videocamera e microfono:
- telecamera a colori, risoluzione - 1 megapixel;
- per un abbonato;
- circonferenza per chiarimenti - 1 m;
- angolo di visibilità - orizzontalmente 120 °, verticalmente 120 °.

Oriz. 12. Pannello per Powiquane DS-KV8102-IM
Potente illuminatore IR del famoso marchio BOSCH EX26LED con 60 LED ad alta efficienza:
- lunghezza sul muro - 840 o 940 nm;
- custodia resistente agli influssi atmosferici;
- regolare l'intensità sull'irraggiamento e la sensibilità sulla fotocellula;
- circonferenza fino a 18 m;
- ygl sulla curva 30 °.

Oriz. 13. Illuminatore IR integrato BOSCH EX26LED
NItecore CI7 4X LED Tactical Fenerche, Nitecore CI6 Chameleon Fenerche con modalità IR:
- marchio - Nitecore;
- LED - Cree XP-G2 R5;
- flusso luminoso - 440 lm;
- circonferenza - 190 m;
- batterie - CR123A, 18650;
- modalità di lavoro - 13;
- lunghezza - 143 mm, diametro - 25,4 mm, diametro sulla testa - 40 mm;
- Teglo - 138 g;
- resistenza all'acqua - IPX-8;
- materiale del corpo - alluminio;
- tipo - lavoro.

Oriz. 4x NItecore CI7 (CI6) illuminatore IR Tactical Fenerce
Illuminatore laser ad infrarossi Barre IR L per montaggio su digitale e per visione notturna, adatto sia per uso separato che per montaggio sopra l'arma. Caratteristiche ca come segue:
- tipo di emettitore - diodo laser;
- temperatura di esercizio - -40 ... + 50 gradi;
- lunghezza sullo sfiato sul bagliore - 808 nm;
- zakhranvane - 2 br. (CR123A);
- potenza all'izluchvana - 200 (100, 50) mW;
- ygl per divergenza - 2 ... 20 gradi;
- dimensioni - 150x30x40 mm,
- Teglo - 170 gr.

Oriz. 15. Visualizzazione dell'illuminatore IR Barre IR L Laser
Il marchio Pulsar è il marchio della Yukon Advanced Optics Corporation, alcune delle quali producono una gamma di apparecchiature da linee di luce a infrarossi e monocoli a misuratori digitali e dispositivi di imaging termico per smartphone. Nella FIG. 8 che mostra una vista esterna dell'illuminatore IR Pulsar.

Oriz. 16. Visualizzazione dell'illuminatore IR Pulsar
Ad esempio illuminatori pulsar al 915t. Radiazione nella gamma invisibile. Spore dello standard IEC 60825-2007 per rispondere alla prima classe. Tipo di diodo - Laser 915 nm. Lavora con dispositivi digitali durante la notte. Montira è sul nastro della Weaver. Effetto Noma su moiré. Focalizzato - leggermente sfocato da strettamente focalizzato a disperso. Regulirane per potenza e abbagliamento per deviazione per raggio. Petnoto e sotto il formato su un'ellisse. Usa un illuminatore IR per farti vedere in modo invisibile.
Predishnainfrachervena Cos'è la lampada infrachervenite e per cosa?ProssimoBattericidaKakvo e ionizzatore-polyley su Chizhevsky