Come scegliere le lampade allo xeno h11 - 4300K, 5000K, 6000K
Yarkata è uniformemente luminoso sul faro dell'auto, garante della sicurezza per i movimenti al buio, ma è un tale segno della situazione sull'auto. Installa lampade allo xeno nell'ottica moderna. Quelli sono izlchvat per -luce intensa, kato consumirate per -poca energia. Inoltre, le lampade allo xeno H11 hanno un'ampia gamma di temperature nella luce: da 3000 K a 8000 K. Lo spettro di Chofiorite viene selezionato individualmente.
Contenimento: 1. Differenze tra lampade allo xeno H11 e altri tipi 2. Merito della selezione 3. Spese di installazione 4. Quando è legale l'installazione allo xeno?
Differenze tra xeno H11 e altri tipi
Crush, indipendentemente dal tipo di tecnologia, montano tutti in selle standard in ottica. Connect, come i nidi, sarà prodotto in tre serie: H, D, HB. Nel segno sulla lampada, la cifra sa ha accorciato la traccia della lettera. Quelli che mostrano la vista della sorgente alla luce, non misurano la connessione e la destinazione. Di norma, l'ottica per auto domestiche ed europee viene assolta con lampade con attacco H11.
Sono necessari vari accessori, ma non è possibile installare un diverso tipo di lampada in una base standard. La situazione è simile, a volte shofiorite, dokato colata si, sostituzione errata perversa sui dispositivi, portano successivamente alla riluttanza. L'ottica principale o farovete per l'oscurità è un dispositivo complesso, alcuni dei quali sono riflettori e deflettori. Quelle nasochvat svetlinata dal lampat kum pitya.Ako dirige la promyana nel design, attenua brillantemente lo yama e questa forma attraversa correttamente e persino ciecamente l'acqua. Inoltre, la potenza della lampada è stata aumentata al punto in cui i riscaldatori si sono bruciati o bruciati nel cavo.

Faroe con una luce allo xeno bassa indietro kjm sdzharzhanieto ↑
Merito della selezione
La lampada allo xeno ha un cappuccio di vetro sigillato con un gas inerte e un elettrodo. Base in metallo Montira se vurhu. Ogni volta che veniva applicata una corrente elettrica, la tensione era alta con un'alta tensione, tra i tyah si alzava un arco elettrico, una specie di gas e lucentezza. Impulso dietro terra sul processo di generazione nel blocco dietro la miccia. L'ultimo installato nella catena aperta viene memorizzato e per ciascuna lampada separatamente. Per sì, scegli le lampade allo xeno, prova e determina:
- Tipo di apparecchiatura… Ako kasite e dalgit svetlina ce si combinano, per tyah ce installato biksenon. In questo caso, l'ottica può essere di tipo diverso e un paraluce è comune. Togava, più spesso, tryabva e porta via la linea leggera per molto tempo.
- zoccolo... Caratteristiche sulla sella c'è un alloggiamento in plastica alto sul faro oppure puoi anche smontarlo, ritagliare la testata standard e guardare le marcature.
- Energia… Lampite se prodotte in banconote da 25, 35 e 50 vata.
- Temperatura per la luminescenza... La fioritura sulla luce intensa dipende dal parametro tosi. Per i dispositivi allo xeno, l'ho usato: con una sfumatura - per 4300 K, con un blu - per 8000 K.

Compatibile con lampade alogene e allo xeno
Valutazione per i migliori kit allo xeno
Un elenco di modelli popolari aiuterà con l'autista e sceglierà l'attrezzatura per l'installazione dello xeno in un faro standard. La valutazione si basa sulle preferenze del cliente, sul feedback e sui punteggi dei test.Elenco sui kit nay-dobrite:
- Philips… Uno da una società di tecnologia di illuminazione di New Golem. L'industria automobilistica non fa eccezione. L'azienda offre una vasta gamma di prodotti per l'installazione in fari per fendinebbia, fari e altri dispositivi. La copertura delle lampade allo xeno è limitata. Quelli sono installati esclusivamente nella fabbricazione del kato obiknoveni. Puoi completare l'ambiente e scegliere un monoblocco - lampade dall'accenditore del dispositivo, indirizzarle in un unico alloggiamento e separare il design. Ottieni un alto livello di speranza per il bene di un labbro seduto su un conduttore ad alta tensione, prenditi cura dell'installatore e del supporto.
- MTF (4300K, 5000K)... Produttore russo di apparecchiature allo xeno (nonostante la società sia registrata in Corea). Caratteristiche del kit sane i propri connettori ad alta tensione e viventi. Se bruci la lampadina, acquista un cavo dal produttore o dotalo di un adattatore aggiuntivo.
- Xenite H11... Apparecchiature di illuminazione di un produttore sudcoreano, in qualche modo dissuaso dagli standard internazionali. Lo xeno brucia in modo uniforme, senza tremori o pulsazioni. L'attrezzatura è adatta per lavorare in condizioni climatiche in Russia e la risorsa per lavori imprevedibili è di 5000-5500 ore.
- Sho mi H11… Rappresentante di un produttore sudcoreano. Basi significativamente diverse consentono di installare il kit su quasi tutte le ottiche e di accendere i moduli della 4a generazione, lo hanno dimostrato bene in russo.

Kit allo xeno MTF indietro kjm sdzharzhanieto ↑
Spese di installazione
È possibile dotarsi di un'ottica per un faro con una lampada allo xeno (makar e non desiderabile).Vai avanti e vai al negozio e acquista un kit, dai un'occhiata e determina il tipo di fari. Ako e è riflessivo, la merce viene inequivocabilmente tolta per l'utilizzo dello xeno. I dispositivi Takiva non possono formare correttamente un flusso luminoso, ti accecheranno anche all'incrocio dell'autista.
Sono contrassegnati sull'ottica (di solito sul vetro). La designazione sul faro è "H" o "D". Prviyat mostra l'uso di fari alogeni, il che significa che è impossibile installare lo xeno nel faro. Giocattolo scho così cieco e salva lo shofyori. La lettera "D" indica che l'ottica è predisposta per il montaggio su xenon H11 o con un altro tipo di base.
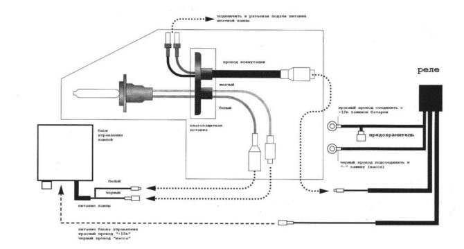
Schema sul filo
È possibile installare apparecchiature aggiuntive, senza pre-accoppiare il faro, ma è molto più conveniente e lavorare con lo smantellamento dell'ottica. In senso buono, sì, lascia che il farovete per la nebbia sia con l'armatura - più tryabva e aggiusta il blocco per la trappola della pietra. Sequenza sul programma di installazione:
- Rimuovere l'uscita positiva o negativa dalla batteria.
- Sbarazzati del cappuccio protettivo sul faro, stringi la molla, che è fissa.
- Sbarazzati della lampada, fai oscillare il conduttore.
- Al centro sul chip, a destra un'apertura con un diametro di 25 mm.
- Installare la lampada allo xeno nel connettore. Cable se vkarvat prez schepsela.
- La lampada è fissata con staffe standard, cappuccio protettivo e montata sulla carne.
- Un accenditore è stato posizionato nelle immediate vicinanze del faro. Puoi attaccarlo a un nastro biadesivo, ma è meglio fissarlo con elementi di fissaggio in metallo.
- Installare l'ottica a terra, cablare il conduttore. Da una lunga distanza a un cavo, che se usukva in prusten e se zavarzva kam parte, fissando kam tyaloto.
- Rimuovere la batteria, controllare il lavoro sull'apparecchiatura.
- Regola il faro.

Schema sul filo indietro kjm sdzharzhanieto ↑
Quando è legale l'installazione allo xeno?
Presta servizio nelle forze dell'ordine e tieni d'occhio la legge. Monitoraggio per le condizioni tecniche della nma sì, c'è un'eccezione. L'ispettore del CAT può verificare la conformità sulla ruota, il montaggio nel faro, con i parametri, la dichiarazione del produttore. In caso di violazione (installazione di xeno nell'ottica riflessa), è più probabile che venga distrutto il certificato di controllo in conformità con la parte 3 al membro 12.5 del Codice amministrativo della Federazione Ruskata. Il sottosquadro sull'attrezzatura standard non è consentito, a volte:
- Montaggio su lampade allo xeno in un faro speciale.
- Rinforzato su un cavo o utilizzato su un relè intermedio.
- Attrezzatura aggiuntiva per ottica con correttore per circonferenza sul faro.
Lo xeno è una buona alternativa ai tappi alogeni e si blocca con un hot bug. Toy e è irritabile e izlchva mek, ma la luce della luce è forte. Puoi equipaggiare la colata con le nuove attrezzature nel servizio o da solo. Non provare ad abva in entrambi i casi, striscia lì, è inaccettabile. È importante rispettare la legge e pagare per la sicurezza del traffico.
PrecedenteXenoProssimoXenonCaratteristiche e caratteristiche distintive dello xeno D2S



