Come testare le prestazioni di una lampada fluorescente?
Titolo: Luminescente 
Lampade fluorescenti e ce usano cato fondamentalmente illuminando dietro i greggi. Guasto portare a un'illuminazione insufficiente, scivolare sul comfort sul posto. Brmcheneto per una lampada difettosa è fastidioso. Trepkaneto sulla lampata è un'eccezione alla possibilità di attività lavorativa, che influisce sfavorevolmente sulla visione. Innanzitutto, continua con l'eliminazione, è necessario comprendere chiaramente e comprendere i principi del lavoro e, sì, sai, ammettere la risoluzione dei problemi sul componente sulla costruzione.
contenimento: 1. Principio per l'azione 2. Proteggi le lampade fluorescenti dalla combustione 3. Sospeso per malfunzionamento e sospeso per malfunzionamento 4. Accensione di una lampada fluorescente senza induttori 5. Schema sul collegamento alle lampade bruciate 6. Izkhvarlyane
Principio per l'azione
Una lampada fluorescente, basata sul principio di funzionamento, il tutto correlato alla scarica di gas da una sorgente luminosa. Stiklenata trba e plna dalla scommessa del bestiame e gas inerte. Electrodite sa gradi in bordi opposti. Dalzhinata sulla lampata può essere sì varia. Nella modalità sullo starter tra tyah vznikva dha, alcuni guidano fino a quando non appari per le radiazioni ultraviolette. Quello, l'azione della parte superiore dello strato di fosforo, che è una superficie storta sulla superficie del krushkat, sono un'auto e risplendo nella visione per lo spettro horata. Nella modalità operativa, la scarica è supportata dall'elettricità dalla corrente elettrica dalla nicchia catodica. Lo strato leggero può essere di diversi colori.
La lampada funziona in due modalità: accesa e luce. L'illuminazione era l'oggetto delle tesi osiguryava dello stato. Il circuito elettrico negativo e è mostrato in figura 1.
Illumina corpi di nuova generazione utilizzando reattori elettronici. L'incrociatore g23 è di dimensioni compatte e salva il conducente ed è racchiuso in un peso elevato. Quelli sa sono tre tipi, ma sempre il regime per il lavoro è definito e ce ne sono quattro da tyah:
- incluso;
- pre-inquinato;
- zapalvane;
- emarginati.
Grazie per aver scelto le modalità giuste per il lavoro, tali dispositivi mantengono lo stomaco sulla lampada e hanno un'alta efficienza. Nella modalità in fiamme, la tensione sull'elettrodo, in ogni caso, consente la lampada e il lavoro con i catodi bruciati della spirale, cosa impossibile quando si utilizza un overwire standard.

Figura 2. Schema sul collegamento al reattore elettronico.
Chiama prima la lampada fluorescente, la riconoscerai e causerai possibili malfunzionamenti.
Proteggi le lampade fluorescenti dalla combustione

Lampada fluorescente danneggiata
L'elettrodo dietro la lampada fluorescente è nella direzione della nicchia di tungsteno. Col tempo, all'inizio, si scaldano fortemente sull'izkhvarlyaneto e, di conseguenza, si esauriscono su tov barzo. A tale scopo viene sfruttato lo stomaco, la nicchia di tungsteno viene ricoperta da uno strato di metallo alcalino attivo. Tova stabilizza la scarica luminosa tra gli elettrodi, quindi non si scalda molto e rimane intatto sull'elettrodo per lungo tempo. Di conseguenza, molte accensioni, che si rompono e si disintegrano gradualmente. Scarica preminava self prez golata spesso su spiralata. Riscalda da punto a punto, guida finché non è pronto per uscire dai guai. Lo schema standard sul cavo, alcuni dell'acceleratore e del motorino di avviamento, yama e accendono una tale lampada. Il tubo non tremava ma era danneggiato. Questa è la condizione principale, per qualche motivo non permettendo lampat e bruciarsi prematuramente.
Sospeso per malfunzionamento e sospeso per malfunzionamento
Una lampada fluorescente è un dispositivo complesso. Il malfunzionamento su uno qualsiasi degli elementi sbagliati può essere portato a un malfunzionamento.
Quelli possono sì, appariranno così:
- labbra pienea sulla confessione sull'inclusione;
- lampeggio breve sulla lampada, seguito dall'accensione;
- inesprimibilmente treptene senza inclusione;
- Immediatamente nella modalità su izgaryane.
Integrità sull'elettrodo a spirale
Come chiamare la lampada fluorescente è mostrato in figura 3.

Fico. 3. Squillo sull'elettrodo
Per sì, invia un tov, puoi sì usare un multiset. Adatto e un cacciavite con un indicatore dietro il sigillo sulla verigata.
L'anello dell'interruttore sul multimetro è impostato sulla posizione per la misurazione della resistenza. È necessario selezionare un bordo ni-niskat sulla misura (Ώ) o mettere l'interruttore nella posizione per verificare la presenza di un segnale acustico costante. Legare i cavi di misurazione e collegarli all'elettrodo. Chiama il lampat. Allarme sonoro o letture dello strumento, diverse da bezkranostt, che mostrano l'integrità della spirale. Pervertirai come le azioni della seconda spirale. Monitor Ako sul dispositivo per mostrare lo stato di "chupvane" o emettere un segnale, non accenderlo, la lampada non funziona sempre. Puoi, sì, sperimentare e "illuminare" nel reattore di una lampada.
Per il controllo dell'elettrodo è possibile utilizzare un cacciavite, con funzione di squillo sul verigat. Verigata "conduttore dell'elettrodo a 1 filo - cacciavite - un po '- conduttore a 2 elettrodi" tryabva e anello, in questo caso, l'indicatore LED, che è incorporato nel tester, è più luminoso. Tryabva sì controlla e dvete spirali. Lipsata sull'indicazione sul pony è un singolo elettrodo che mostra un malfunzionamento sulla lampada.
Malfunzionamenti nel reattore elettronico
Attenzione! È stato portato via e legato alla zavorra del kum mrezhat senza natovarvane, il dispositivo può essere bruciato.
Determina la correttezza del reattore, che è dotato di una lampada fluorescente, e puoi collegare il cappuccio con un pulsante pressurizzato con una potenza fino a 60 watt, rimuovere i contatti. Tryabva sì brilla debolmente.
Il reattore elettronico è un dispositivo elettronico complesso. Controllato e riparato sul circuito elettronico di tutte le distorsioni con l'ausilio di un dispositivo speciale, un oscilloscopio kato.
Contrariamente a Comrade, i difetti interfunzionali nay-chesto possono essere rimossi senza strisciare. Figurata che ne mostra una dallo schema per la zavorra.

Figura 4. Alimentatore elettronico.
Predpazitelyat, fuori dal condensatore e il transistor spesso fallisce, queste sono le indicazioni sulla figura.
Per sì, controlla correttamente il predazitel, quello è bevuto dalla verigata. L'integrità è determinata dal tester. Le indicazioni per il dispositivo tremano e sono tutte diverse da bezkraynostta.
La tensione operativa sull'elettrodo dal reattore potrebbe essere al di fuori dell'intervallo di 500 V. I produttori cinesi installano condensatori, che hanno un limite sulla tensione nominale, che è 400 V stessa.
Il prezzo del transistor è incommensurabilmente inferiore al prezzo del nuovo alimentatore, quindi striscio dall'esperienza per essere schiacciato da esso.
Attenzione! Per il funzionamento del verigat in modalità normale, la tensione nominale sul condensatore è di 1,2 kV.
Come controllare la drosela su una lampada fluorescente

Come si controllano le manette
I guasti sull'acceleratore possono essere tagliati nel preavvolgimento sull'avvolgimento o sulla connessione tra i riccioli.
Tryabva e determina se fermarsi con un multiset, uno schermo su un dispositivo o una freccia (a seconda del tipo di dispositivo) nella modalità su una misurazione della resistenza, anche se non mostra estremi.
Quando chiudi il cancello, le letture sono ancora vicine a "0". Puoi riconoscere la bava bruciata secondo il Mirismata sul bruciato; in base al peso, appare kafyawi petna, che mostra alcuni danni significativi al dispositivo.
Un acceleratore difettoso non può essere corretto e il trebva può essere sostituito. Ogni volta che ne installi di nuovi, prova a prestare attenzione all'etichettatura. Provate abva e rispondete all'accensione della lampada.
Come si controlla lo starter
Per un malfunzionamento dell'avviatore, puoi andare sul fatto che quando applichi tensione alla lampada, è un momento, ma non si accende.
Se lo starter non è acceso nella verigata sul parafulmine, non accendere i contatti di apertura. Nyama e lavora e controlla la correttezza del mu con il multiset. Puoi piegare la catena, in cui lo starter è collegato in serie con una lampada con un interruttore pressurizzato con una potenza di 60 watt. Se l'avviatore funziona correttamente, la lampada si consumerà di più e il periodo successivo viene determinato dall'ora e dalla luminosità alla luminosità.

Figura 5. Schema per testare lo starter.
Come controllare la capacità di un condensatore con un tester
Condensatore, installato tra i conduttori sulla sorgente sull'accumulo, senza influire direttamente sul funzionamento del parafulmine. È necessario prevedere un compensatore di potenza reattiva per le farfalle. Lipsate o un guasto sul condensatore porta al fatto che l'efficacia del filo di cialato è di circa il 40-50%. Non abbastanza. Quando il condensatore è in funzione, l'efficienza è ancora superiore al 90%, le vernici sono consumabili per l'energia.
Per lampade fino a 40 W, il valore nominale del condensatore è sì, ma è limitato a 4,5 μF. Dipinto sulla capacità e portato alla vernice sull'efficienza, può essere aumentato e portato a treptene.
Puoi verificare la correttezza del condensatore dal dispositivo, che ha una funzione tasi.
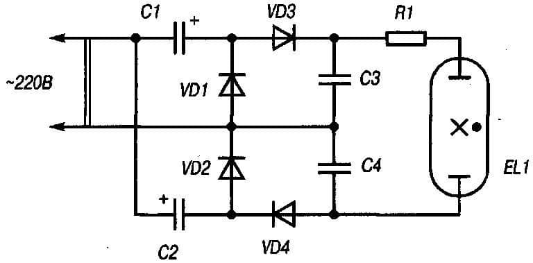
Accensione di una lampada fluorescente senza induttori
Con una lampada fluorescente temporanea dory in hi-modern, gli illuminatori del corpo si bruceranno. Contrariamente a Tov, il lavoro tyakhnata può essere svolto. Vvverigite per il collegamento alle lampade bruciate senza farfalle e lo starter è costantemente in pressione. No, perdona il tipo di catena per un tale inserimento di un convertitore di corrente con il raddoppio della tensione dall'onda intera. Nel tempo, il flusso diventa più leggero e più debole. In anticipo, installare, se necessario, avvitare la lampada nel corpo illuminante (cambiare la connessione della colonna).
Schema sul collegamento alle lampade bruciate

Figura 5. Raddrizzatore di corrente completamente raddoppiato.
Al momento sullo starter, la tensione sul condensatore e sul diodo è fino a 900 V. Con un tale valore nominale, la trappola potrà selezionare elementi elettronici.
Izkhvarlyane
Lampade fluorescenti per gomme da masticare. Izkhvarlyaneto loro con un po' di otpadatse portato via. Entità legali Vsichki tryabva sì accordo imat per razrezhdane con un'organizzazione autorizzata.
PredishnaFluorescenteCome sostituire correttamente la lampada fluorescenteProssimoLuminescenti Come funziona una lampada CFL e quanto è buona
